Запчасти Bobcat 600s MAIN FRAME ELECTRICAL CIRCUIT Wisconsin - Rectifier/Regulator Module - One Unit ELECTRICAL SYSTEM

Схема запчастей Bobcat 600s - MAIN FRAME ELECTRICAL CIRCUIT Wisconsin - Rectifier/Regulator Module - One Unit ELECTRICAL SYSTEM
FIT
1:1
100%

Артикул

Название

Примечание

Количество

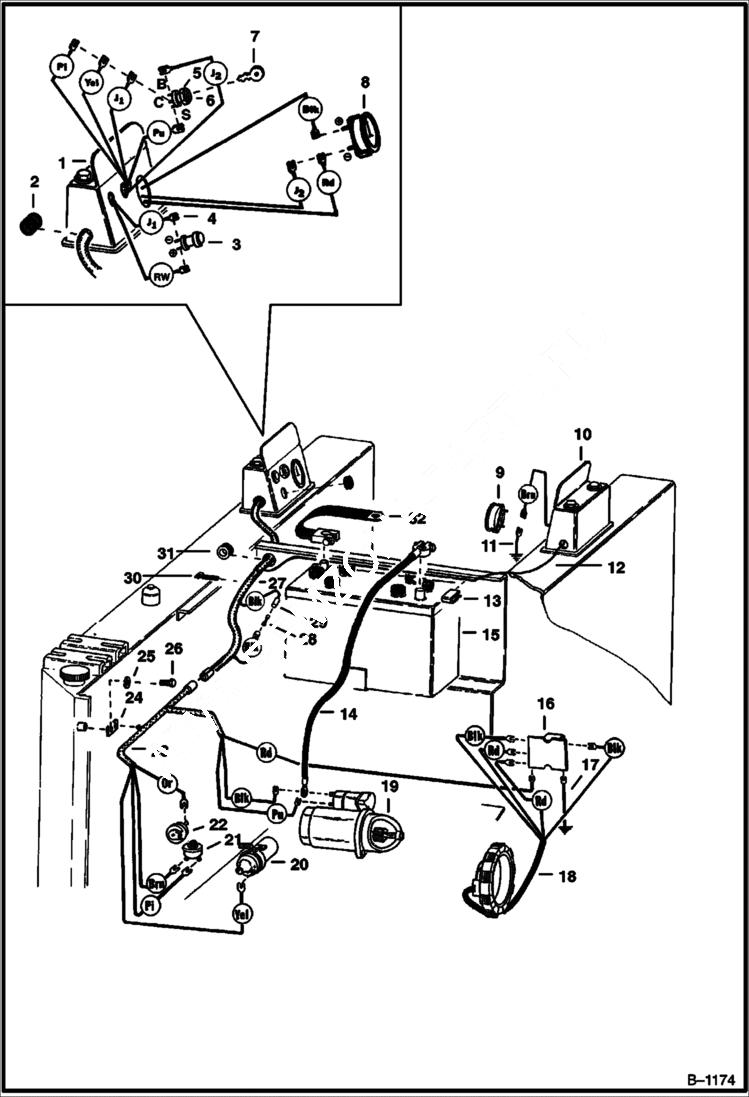
1

PANEL See Illustration MAIN FRAME ATTACHING PARTS/ D1052 instrument

2

565049

GROMMET

3

6515427

LIGHT oil pressure

4

WIRE NLA - jumper

5

6518763

SWITCH ignition - W/Ref. 7

6

6502904

NUT ignition switch

7

6505412

KEY ignition

8

6512807

GAUGE ammeter

9

6660109

HOURMETER Was 6551203 - A

10

PANEL See Illustration MAIN FRAME ATTACHING PARTS/ D1053 instrument

11

WIRE NLA - ground - Was 6501063 - A

12

WIRE NLA - Was 6501209 - A

13

CLIP NLA - Was 6502236 - A

14

667483

CABLE battery

15

6674687

BATTERY, DRY 600 AMP Was 6669318 - A

15

6630154

CAP gang - Danger

15

6630155

CAP gang - Poison

15

6514898

CAP tilt-tite

16

6516693

REGULATOR See BTI362 W/regulator

17

WIRE NLA - ground

18

6516694

STATOR ASSY. See Illustration ALTERNATOR KIT/ B13771 See Illustration FLYWHEEL ALTERNATORS/ B1220 for alternator changeover kit

19

STARTER See Illustration STARTER/ A1379

20

887408

IGN COIL ignition

21

1550963

SWITCH hourmeter

22

SWITCH NLA - oil pressure - Was 6516345 - A

23

6555140

HARNESS See BTI173 wiring

24

6502344

CLIP

25

4E5

WASHER

26

17C512

BOLT 5

27

6501205

HARNESS wiring

28

608869

FUSE

29

HOLDER NLA - W/40 amp. fuse - Was 733642 - A

30

6610510

TIE Was 1715312 - A

31

6515603

GROMMET

32

6553094

CABLE battery ground

Выбрано товаров: 0