Запчасти Bobcat 600s MAIN FRAME ELECTRICAL CIRCUIT Deutz - W/Generator ELECTRICAL SYSTEM

Схема запчастей Bobcat 600s - MAIN FRAME ELECTRICAL CIRCUIT Deutz - W/Generator ELECTRICAL SYSTEM
FIT
1:1
100%

Артикул

Название

Примечание

Количество

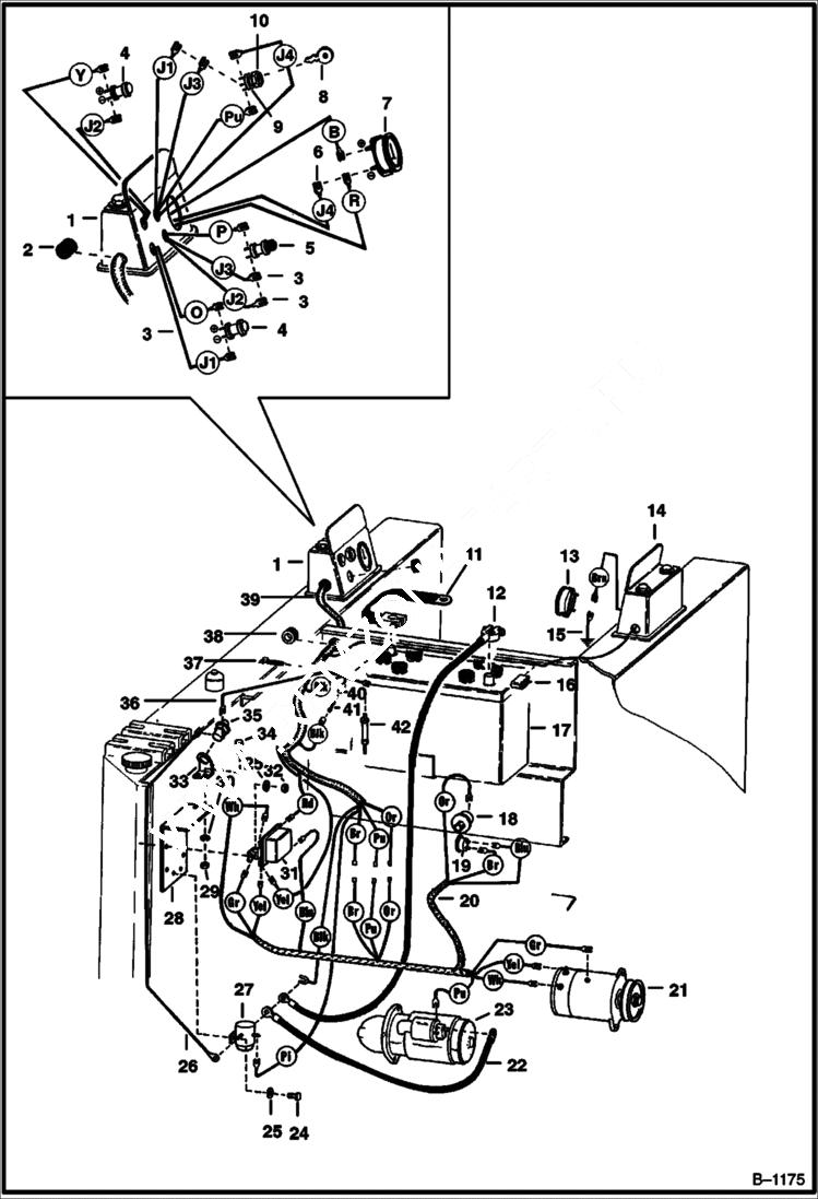
1

PANEL See Illustration MAIN FRAME ATTACHING PARTS/ D1052 instrument

2

GROMMET NLA - Was 585950 - A

3

WIRE NLA

4

6515427

LIGHT oil pressure

5

6632973

SWITCH pre-heater - Was 600259B - A

6

WIRE NLA

7

6512807

GAUGE ammeter

8

6505412

KEY ignition

9

6518763

SWITCH ignition

10

6502904

NUT ignition switch

11

6553094

CABLE battery

12

6515494

CABLE battery

13

6660109

HOURMETER Was 6551203 - A

14

PANEL See Illustration MAIN FRAME ATTACHING PARTS/ D1053 instrument

15

WIRE NLA - ground

16

CLIP NLA - Was 6502236 - A

17

6674687

BATTERY, DRY 600 AMP Was 6669318 - A

17

6630154

CAP gang - Danger

17

6630155

CAP gang - Poison

17

6514898

CAP tilt-tite

18

6515752

SWITCH oil pressure

19

1550963

SWITCH hourmeter

20

HARNESS NLA - wiring - Was 6505884 - A

21

GENERATOR See Illustration GENERATOR MOUNTING/ A1391 See Illustration BOSCH GENERATOR/ B1249

22

743367

CABLE

23

STARTER See Illustration BOSCH STARTER/ B20825A See Illustration BOSCH STARTER/ B20825

24

BOLT NLA - Was 17C000406B - A

25

25E13

WASHER 5

26

6516069

WIRE

27

6631939

SOLENOID pre-heater

28

PLATE NLA - Was 6506076 - A

29

61D4

NUT 5

30

4E4

WASHER

31

4109119

REGULATOR voltage

32

81D4

NUT

33

BRACKET NLA - Was 6504054 - A

34

17C412

BOLT 5

35

4102150

PLUG glow plug

35

6519258

FUSE glow plug

36

6516069

WIRE

37

6515196

STRAP lock

38

GROMMET NLA - Was 6515206 - A

39

HARNESS NLA - wiring - Was 6501380 - A

40

HOLDER NLA - W/40 amp. fuse - Was 733642 - A

41

608869

FUSE

42

6512584

PRE-HEATER

Выбрано товаров: 0