Запчасти Bobcat 600s MAIN FRAME ELECTRICAL CIRCUIT Deutz - W/Delco Alternator ELECTRICAL SYSTEM

Схема запчастей Bobcat 600s - MAIN FRAME ELECTRICAL CIRCUIT Deutz - W/Delco Alternator ELECTRICAL SYSTEM
FIT
1:1
100%

Артикул

Название

Примечание

Количество

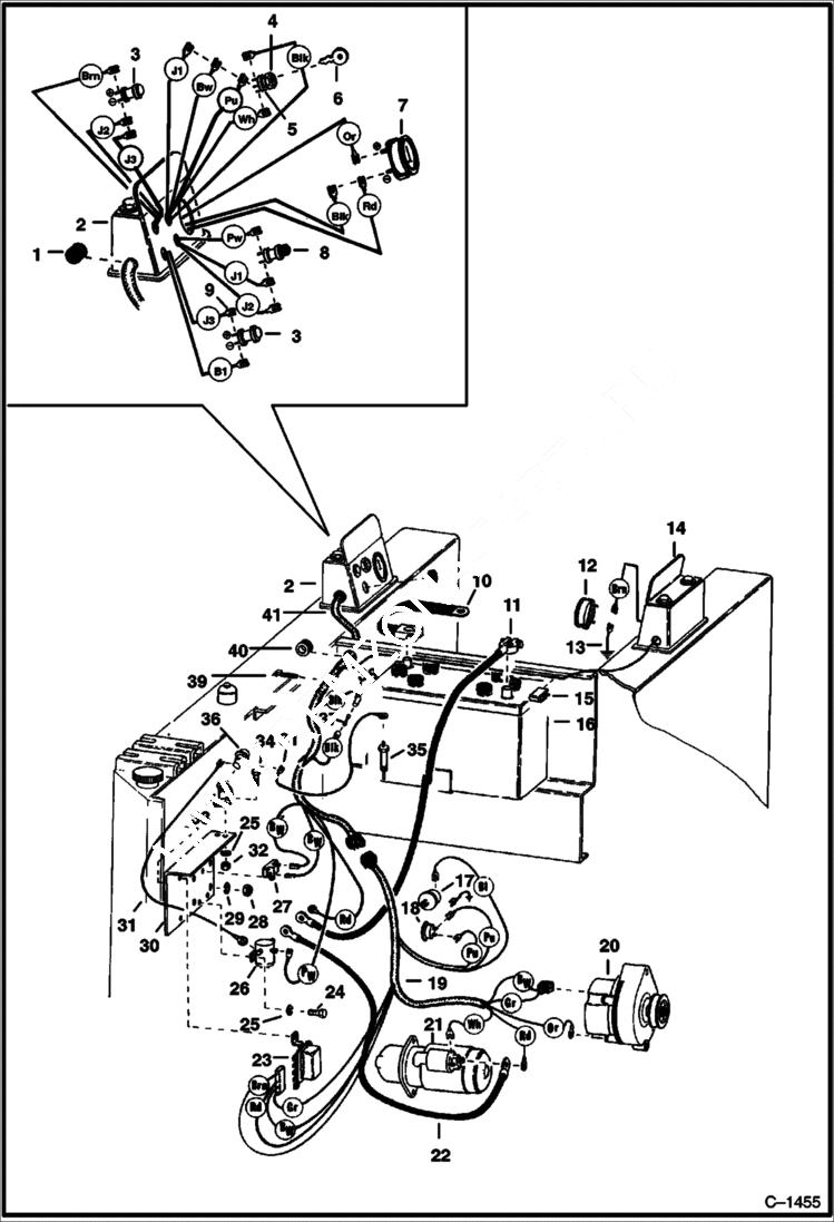
1

565049

GROMMET

2

PANEL See Illustration MAIN FRAME ATTACHING PARTS/ D1052 instrument

3

6515427

LIGHT oil pressure & alternator

4

6518763

SWITCH ignition - W/Ref. 6

5

6502904

NUT ignition switch

6

6505412

KEY ignition

7

6512807

GAUGE ammeter

8

6632973

SWITCH pre-heater - Was 600259B - A

9

WIRE NLA - jumper

10

6553094

CABLE battery ground

11

6515494

CABLE battery

12

6660109

HOURMETER Was 6551203 - A

13

WIRE NLA - ground

14

PANEL See Illustration MAIN FRAME ATTACHING PARTS/ D1053 instrument

15

CLIP NLA - Was 6502236 - A

16

6674687

BATTERY, DRY 600 AMP See Illustration MAIN FRAME ELECTRICAL CIRCUIT/ B1174 Was 6669318 - A

16

6630154

CAP gang - Danger

16

6630155

CAP gang - Poison

16

6514898

CAP tilt-tite

17

6515752

SWITCH oil pressure

18

1550963

SWITCH hourmeter

19

HARNESS NLA - wiring - Was 6506078 - A

20

ALTERNATOR See Illustration ALTERNATOR/ A1284 See BTI258

21

STARTER See Illustration BOSCH STARTER/ B20825A See Illustration BOSCH STARTER/ B20825

22

743367

CABLE jumper

23

908239

VOLT REG voltage - Use Old Mounting Bracket - Was 1810770 - A

24

BOLT NLA - Was 17C000406B - A

25

4E4

WASHER

26

6631939

SOLENOID pre-heater

27

RESISTOR NLA - Was 6506077 - A

28

81D4

NUT

29

25E13

WASHER 5

30

PLATE NLA - Was 6506076 - A

31

WIRE NLA - jumper

32

61D4

NUT 5

33

BRACKET NLA - Was 6504054 - A

34

17C412

BOLT 5

35

6512584

PRE-HEATER

36

4102150

PLUG glow plug

36

6519258

FUSE glow plug

37

608869

FUSE

38

HOLDER NLA - W/40 amp. fuse - Was 733642 - A

39

6515196

STRAP lock

40

GROMMET NLA - plastic - Was 6515206 - A

41

HARNESS NLA - Wiring - Was 6505926

Выбрано товаров: 0