Запчасти Bobcat 600s MAIN FRAME ELECTRICAL CIRCUIT Deutz - W/Lucas Alternator ELECTRICAL SYSTEM

Схема запчастей Bobcat 600s - MAIN FRAME ELECTRICAL CIRCUIT Deutz - W/Lucas Alternator ELECTRICAL SYSTEM
FIT
1:1
100%

Артикул

Название

Примечание

Количество

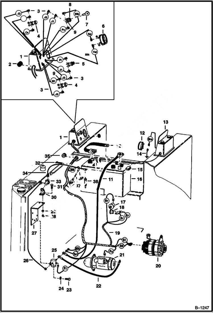
1

PANEL See Illustration MAIN FRAME ATTACHING PARTS/ D1052 instrument

2

565049

GROMMET

3

WIRE NLA - jumper

4

6515427

LIGHT oil pressure & blower

5

6632973

SWITCH pre-heater - Push Button - Was 600259B - A

6

6512807

GAUGE ammeter

7

6505412

KEY ignition

8

6518763

SWITCH ignition - W/Ref. 7

9

6502904

NUT ignition switch

10

6553094

CABLE battery ground

11

6515494

CABLE battery

12

6660109

HOURMETER Was 6551203 - A

13

PANEL See Illustration MAIN FRAME ATTACHING PARTS/ D1053 instrument

14

WIRE NLA - ground

15

CLIP NLA - Was 6502236 - A

16

6674687

BATTERY, DRY 600 AMP See Illustration MAIN FRAME ELECTRICAL CIRCUIT/ B1174 Was 6669318 - A

16

6630154

CAP gang - Danger

16

6630155

CAP gang - Poison

16

6514898

CAP tilt-tite

17

6515752

SWITCH oil pressure

18

1550963

SWITCH hourmeter

19

HARNESS NLA - wiring - Was 6505749 - A

20

6516284

ALTERNATOR See Illustration ALTERNATOR/ A1398

21

STARTER See Illustration BOSCH STARTER/ B20825A See Illustration BOSCH STARTER/ B20825

22

743367

CABLE jumper

23

BOLT NLA - Was 17C000406B - A

24

25E13

WASHER 5

25

6631939

SOLENOID pre-heater

26

6516069

WIRE jumper

27

PLATE NLA - Was 6506076 - A

28

61D4

NUT 5

29

4E4

WASHER

30

BRACKET NLA - Was 6504054 - A

31

17C412

BOLT 5

32

6515196

STRAP

33

4102150

PLUG glow plug

33

6519258

FUSE glow plug

34

6516069

WIRE jumper

35

GROMMET NLA - plastic - Was 6515206 - A

36

HOLDER NLA - W/40 amp. fuse - Was 733642 - A

37

608869

FUSE

38

6512584

PRE-HEATER

Выбрано товаров: 0