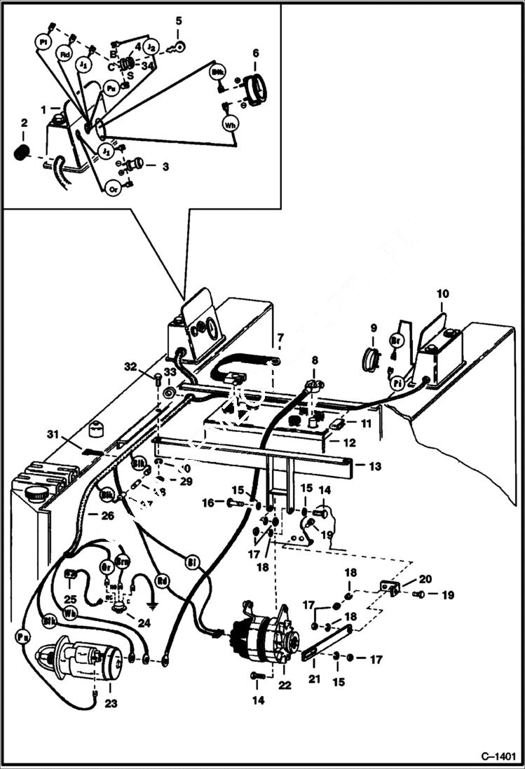
Запчасти Bobcat 600s MAIN FRAME ELECTRICAL CIRCUIT Petter - W/Lucas Alternator ELECTRICAL SYSTEM

Схема запчастей Bobcat 600s - MAIN FRAME ELECTRICAL CIRCUIT Petter - W/Lucas Alternator ELECTRICAL SYSTEM
FIT
1:1
100%

Артикул

Название

Примечание

Количество

1

565049

GROMMET

2

PANEL See Illustration MAIN FRAME ATTACHING PARTS/ D1052 instrument

3

6515427

LIGHT oil pressure & alternator

4

6518763

SWITCH ignition - W/Ref. 5

5

6505412

KEY ignition

6

6512807

GAUGE ammeter

7

6553094

CABLE ground

8

6514504

CABLE battery

9

6660109

HOURMETER Was 6551203 - A

10

PANEL See Illustration MAIN FRAME ATTACHING PARTS/ D1053 instrument

11

CLIP NLA - Was 6502236 - A

12

6674687

BATTERY, DRY 600 AMP See Illustration MAIN FRAME ELECTRICAL CIRCUIT/ B1174 Was 6669318 - A

12

6630154

CAP gang - Danger

12

6630155

CAP gang - Poison

12

6514898

CAP tilt-tite

13

BRACKET NLA - Was 6506172 - A

14

17C520

BOLT 5

15

25E15

WASHER

16

17C524

BOLT

17

61D5

NUT

18

4E5

WASHER

19

17C516

BOLT

20

6504484

BRACKET angle

21

6547125

BRACKET

22

6516284

ALTERNATOR See Illustration ALTERNATOR/ A1398

23

STARTER See Illustration LUCAS STARTER/ B1738 See Illustration LUCAS STARTER/ A1397

24

6515472

SWITCH oil pressure

25

SWITCH NLA - overheat shutoff - Was 6519264 - A

26

6506171

HARNESS wiring

27

HOLDER NLA - W/40 amp. fuse - Was 733642 - A

28

608869

FUSE 30 amp.

29

61D6

NUT 5

30

4E6

WASHER

31

6610510

TIE Was 1715312 - A

32

17C612

BOLT 5

33

6515603

GROMMET plastic

34

6502904

NUT ignition switch

Выбрано товаров: 0