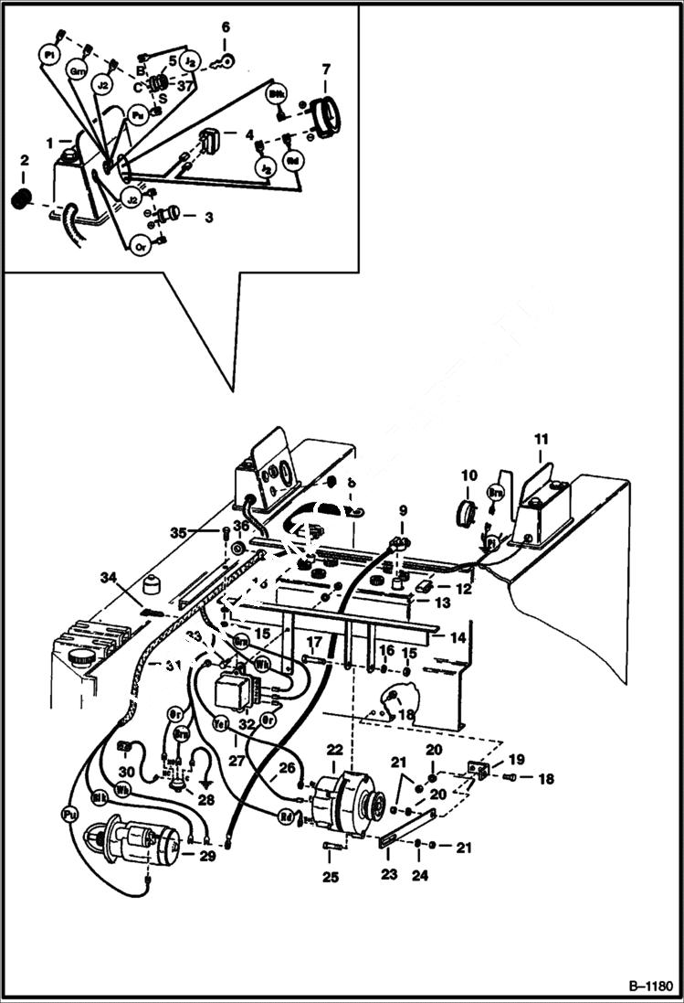
Запчасти Bobcat 600s MAIN FRAME ELECTRICAL CIRCUIT Petter - W/Delco Alternator ELECTRICAL SYSTEM

Схема запчастей Bobcat 600s - MAIN FRAME ELECTRICAL CIRCUIT Petter - W/Delco Alternator ELECTRICAL SYSTEM
FIT
1:1
100%

Артикул

Название

Примечание

Количество

1

PANEL See Illustration MAIN FRAME ATTACHING PARTS/ D1052 instrument

2

565049

GROMMET rubber

3

6515427

LIGHT oil pressure

4

6519001

BREAKER circuit

5

6518763

SWITCH ignition - W/Ref. 6

6

6505412

KEY ignition

7

6512807

GAUGE ammeter

8

6553094

CABLE battery ground

9

6514504

CABLE battery

10

6660109

HOURMETER Was 6551203 - A

11

PANEL See Illustration MAIN FRAME ATTACHING PARTS/ D1053 instrument

12

CLIP NLA - Was 6502236 - A

13

6674687

BATTERY, DRY 600 AMP See Illustration MAIN FRAME ELECTRICAL CIRCUIT/ B1174 Was 6669318 - A

13

6630154

CAP gang - Danger

13

6630155

CAP gang - Poison

13

6514898

CAP tilt-tite

14

BRACKET NLA -mount - Was 6505265 - A

15

61D6

NUT 5

16

4E6

WASHER

17

17C648

BOLT 5

18

17C516

BOLT

19

BRACKET NLA -angle - Was 6505241 - A

20

4E5

WASHER

21

61D5

NUT

22

ALTERNATOR See Illustration ALTERNATOR/ A1284 See BTI258

23

6547125

BRACKET

24

25E15

WASHER

25

17C524

BOLT

26

WIRE NLA - jumper

27

WIRE NLA - jumper

28

6515472

SWITCH oil pressure

29

STARTER See Illustration LUCAS STARTER/ B1738 See Illustration LUCAS STARTER/ A1397

30

SWITCH NLA - overheat shut-off - Was 6519264 - A

31

NLA - wiring - Was 6505286 - A

32

908239

VOLT REG voltage - Use Old Mounting Bracket - Was 1810770 - A

33

17C416

BOLT

34

6610510

TIE Was 1715312 - A

35

17C616

BOLT 5

36

6515603

GROMMET plastic

37

6502904

NUT ignition switch

Выбрано товаров: 40