Качественные детали и логистика
Оригинальные и аналоговые запчасти с доставкой по России, Казахстану и Беларуси
©2022 PartSell ООО "Система" ИНН 2463123282 ОГРН 1212400004838
Центральный офис: г. Красноярск, Академика Киренского, д.87, пом.4
Телефон: 8 (800) 777-65-74 Email: zakaz@partsell.ru
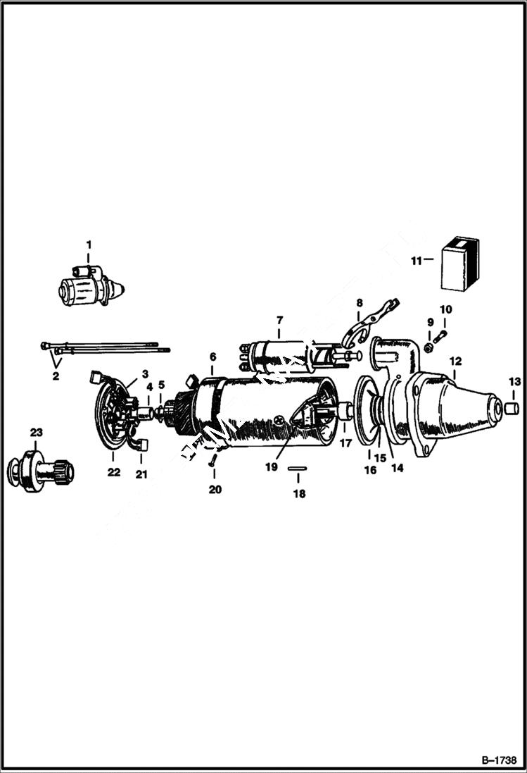
LUCAS STARTER Petter - S/N 73589 & Above
№
Артикул
Название
Примечание
Количество
1
6519411
STARTER Model M45G Series 26302
2
6516729
BOLT
3
6516735
SPRING brush tension - Set of 4
4
6519987
BUSHING
5
6519997
WASHER thrust
6
6516734
BAND cover
7
6519998
SOLENOID
8
6519989
LEVER engagement
9
3883464
NUT pivot bolt
10
6519988
BOLT pivot
11
3883456
KIT secondary parts
12
6519993
BRACKET drive end
13
6598440
14
6519990
WASHER
15
3883454
SPRING brake shoe
16
6519995
FRAME brake - W/Ref. 17
17
6519996
18
6519991
PIN
19
3883461
COIL field
20
BOLT NSS
21
3883457
BRUSHES Set of 4
22
6519986
FRAME commutator
23
6519992
DRIVE ASSY.
Выбрано товаров: 0