Качественные детали и логистика
Оригинальные и аналоговые запчасти с доставкой по России, Казахстану и Беларуси
©2022 PartSell ООО "Система" ИНН 2463123282 ОГРН 1212400004838
Центральный офис: г. Красноярск, Академика Киренского, д.87, пом.4
Телефон: 8 (800) 777-65-74 Email: zakaz@partsell.ru
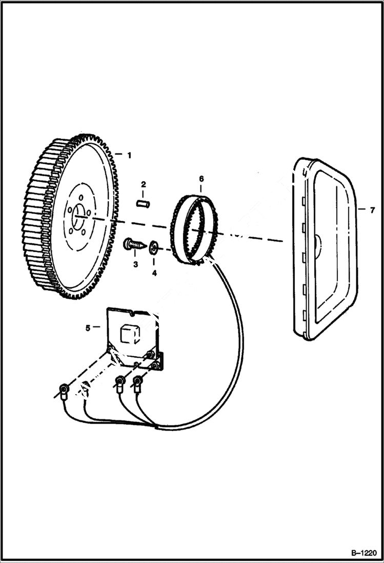
FLYWHEEL ALTERNATORS Wisconsin 1 Section
№
Артикул
Название
Примечание
Количество
1
FLYWHEEL NLA - W/Ring Gear - Was 6516692 - A
6516682
RING GEAR
2
6516621
ROLL PIN Stator Mounting
3
22G1016
SCREW tator Mounting
4
6516647
WASHER
5
6516693
REGULATOR See BTI362 W/regulator
6
6516694
STATOR ASSY.
7
COVER NLA - gear - Was 6516527 - A
Выбрано товаров: 0