Запчасти Bobcat 600s WISCONSIN ENGINE POWER UNIT

Схема запчастей Bobcat 600s - WISCONSIN ENGINE POWER UNIT
FIT
1:1
100%

Артикул

Название

Примечание

Количество

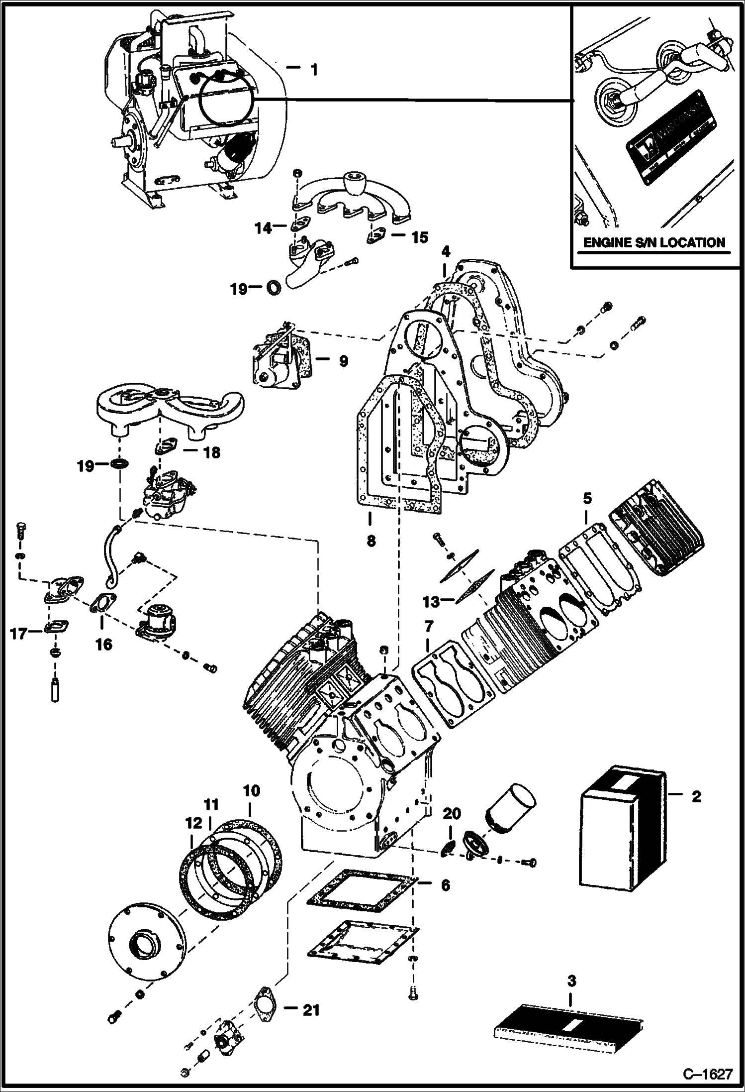
1

VF4D ENGINE NLA - replaced by 6560227 - When replacing older engine that has a Flywheel Alternator, Order 6506492 Alternator Kit

1

ENGINE NLA - remanufactured - VF4D Less Stator - Was 6632634REM - A

1

6560227REM

ENGINE remanufactured - VH4D Less Flywheel Alternator

1

ENGINE NLA - Gasoline - W/Flywheel, Manifold, Starter, Carburetor - Does Not Include Oil Filter & Alternator - Order 6560227REM - Was 6560227 - A

1

ENGINE NLA - LP Gas, complete - W/Flywheel, Starter, Carburetor, Manifold, Vaporizers & Regulators - Does Not Include Alternator & Oil Filter - Was 6519102 - A

2

6517513

KIT hi-temperature shut-off

2

6506492

KIT See Illustration ALTERNATOR KIT/ B13771 alternator conversion

2

KIT See Illustration LP GAS GROUP/ B1208 NLA - LP Gas Conversion VF4D - Was 6519193 - A

2

KIT See Illustration LP GAS GROUP/ B20843 NLA - LP Gas Conversion VH4D - Was 6519236 - A

3

6664964

GASKET KIT Complete Overhaul - W/Ref. 4 - 21 - Was 6516447 - A

4

6516529

GASKET See Illustration CRANKCASE & GEAR COVER/ B20829 See Ref. 2

5

6516434

GASKET See Illustration CRANKCASE & GEAR COVER/ B20829 See Ref. 12

6

6516444

GASKET See Illustration CRANKCASE & GEAR COVER/ B20829 See Ref. 23

7

6516437

GASKET See Illustration CRANKCASE & GEAR COVER/ B20829 See Ref. 29

8

6516531

GASKET See Illustration CRANKCASE & GEAR COVER/ B20829 See Ref. 33

9

6516617

GASKET See Illustration CRANKCASE & GEAR COVER/ B20829 See Ref. 37

10

6516456

GASKET See Illustration INTERNAL ENGINE GROUP/ B20850 See Ref. 28

11

6516457

SHIM See Illustration INTERNAL ENGINE GROUP/ B20850 See Ref. 29

12

6516458

GASKET See Illustration INTERNAL ENGINE GROUP/ B20850 See Ref. 30

13

6516498

GASKET4 See Illustration CYLINDER & VALVES/ C1570 See Ref. 4

14

6516396

GASKET See Illustration GASOLINE FUEL SYSTEM & EXHAUST GROUP/ B20841 See Ref. 1

15

6516399

GASKET See Illustration GASOLINE FUEL SYSTEM & EXHAUST GROUP/ B20841 See Ref. 3

16

6516381

GASKET See Illustration GASOLINE FUEL SYSTEM & EXHAUST GROUP/ B20841 See Ref. 24

17

6516382

GASKET See Illustration GASOLINE FUEL SYSTEM & EXHAUST GROUP/ B20841 See Ref. 27

18

6516398

GASKET See Illustration GASOLINE FUEL SYSTEM & EXHAUST GROUP/ B20841 See Ref. 35

19

6516405

GASKET See Illustration GASOLINE FUEL SYSTEM & EXHAUST GROUP/ B20841 See Ref. 36

20

6516514

GASKET See Illustration ENGINE OIL GROUP/ B20844 See Ref. 15

21

6516574

GASKET See Illustration IGNITION COIL, CABLES & DISTRIBUTOR DRIVE/ B20845 See Ref. 17

Выбрано товаров: 28