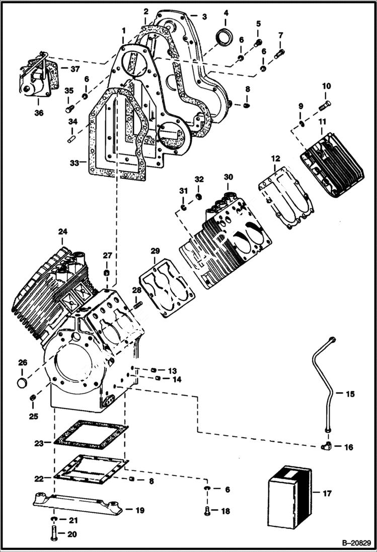
Запчасти Bobcat 600s CRANKCASE & GEAR COVER POWER UNIT

Схема запчастей Bobcat 600s - CRANKCASE & GEAR COVER POWER UNIT
FIT
1:1
100%

Артикул

Название

Примечание

Количество

1

6516530

SPACER gear cover

2

6516529

GASKET gear cover

3

COVER NLA - gear - VH4D Engine - Was 6516527 - A

3

COVER NLA - gear - VF4D Engine - Was 6516527 - A

4

6516526

SEAL oil

5

852074

SCREW

6

4E5

WASHER

6

6516500

WASHER

7

17C520

BOLT 5

8

40K6

PLUG Was 10F000006B - B

9

861276

WASHER 5

10

6516436

BOLT

10

17C520

BOLT 5

11

6516433

HEAD, CYL ENG cylinder - VH4D Engine

11

6516432

HEAD cylinder - LP Gas Engine

11

HEAD NLA - cylinder - VF4D Engine - Order (2) 6516433 - Was 6516431 - A

12

6516434

GASKET cylinder head

13

6516515

SET SCREW

14

16F2

PLUG pipe - Was 15F-2 - A

15

6516512

OIL LINE oil - Crankcase to Governor

16

42F3

FTG

17

6664964

GASKET KIT complete overhaul - Was 6516447 - A

18

17C510

BOLT

19

6516443

SUPPORT engine

20

17C824

BOLT 5

21

4E8

WASHER

22

6516442

PLATE

23

6516444

GASKET

24

CRANKCASE NLA - W/Ref. 25-28 - Was 6516439 - A

25

6516440

PLUG

26

6516441

PLUG expansion

27

6516435

PLUG expansion

28

6510868

STUD Was 6516438 - A

29

6516437

GASKET

30

BLOCK See Illustration CYLINDER & VALVES/ C1570 cylinder

31

4E7

WASHER

32

62D7

NUT

33

6516531

GASKET

34

6516532

PIN

35

17C512

BOLT 5

36

GOVERNOR See Illustration GOVERNOR & CONTROL/ B1399

37

6516617

GASKET

Выбрано товаров: 42