Запчасти Bobcat 600s MAIN FRAME Right Side MAIN FRAME

Схема запчастей Bobcat 600s - MAIN FRAME Right Side MAIN FRAME
FIT
1:1
100%

Артикул

Название

Примечание

Количество

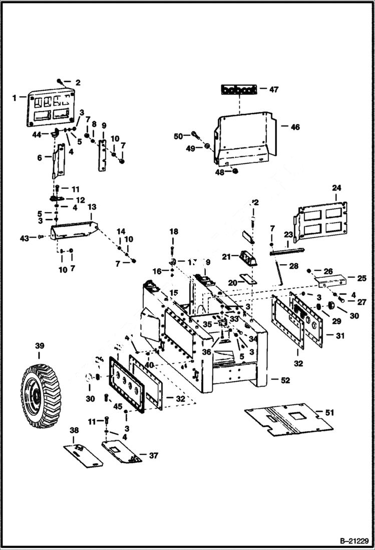
1

GRILL NLA - 100 lbs. - Was 6503120 - A

2

17C840

BOLT

3

61D6

NUT 5

4

25E17

WASHER 5

5

4E6

WASHER

6

HINGE NLA - Was 6505737 - A

7

61D8

NUT 5

8

25E21

WASHER 5

9

PLATE NLA - Was 6505739 - A

10

4E8

WASHER

11

17C612

BOLT 5

12

HINGE NLA - Was 6504807 - A

13

CHANNEL NLA - Was 6504806 - A

14

672568

WASHER

15

61D5

NUT

16

4E5

WASHER

17

6547917

STOP battery

18

17C516

BOLT

19

CHANNEL NLA - Weld-on - Was 6502297 - A

20

6502694

GASKET

21

PANEL NLA - instrument - LH - Was 6503075 - A

22

BOLT NLA - Order 17C000552B & 25E000012B - Was 6505059 - A

23

6552292

BRACKET bracket holddown

24

DOOR NLA - Order Ref. 6 & 9

25

6547918

SUPPORT battery

26

81D6

NUT

27

17C618

BOLT

28

6552293

ROD holddown

29

6515195

SEAL

30

6502539

CAP

31

COVER NLA - gearcase - LH - Was 6504621 - A

32

6502337

GASKET

33

6E6

WASHER

34

17C620

BOLT

35

6547997

BRACKET

36

6514578

BOLT

37

PANEL NLA - floor - LH - Was 6502983 - A

38

PANEL NLA - floor - RH - Was 6502923 - A

39

6552874

TIRE See Illustration TIRES & RIMS/ B20651

39

6515045

TUBE

39

6515792

RIM See Illustration TIRES & RIMS/ B20651

40

40K12

PLUG

41

40K4

PLUG

42

COVER NLA - gearcasde - RH - Was 6504622 - A

43

7C820

BOLT carriage

44

HINGE NLA - Was 6504802 - A

45

84G3716

SCREW 5

46

DOOR NLA - Was 6559602 - A

47

6563382

DECAL - Was 6557411 - A

48

6512896

NUT

49

25E21

WASHER 5

50

17C828

BOLT

51

PLATE floor NLA - floor - Was 6559940

52

6558974

MAIN FRAME

Выбрано товаров: 54