Запчасти Bobcat 600s PULPWOOD LOADER & ATTACHING PARTS ACCESSORIES & OPTIONS

Схема запчастей Bobcat 600s - PULPWOOD LOADER & ATTACHING PARTS ACCESSORIES & OPTIONS
FIT
1:1
100%

Артикул

Название

Примечание

Количество

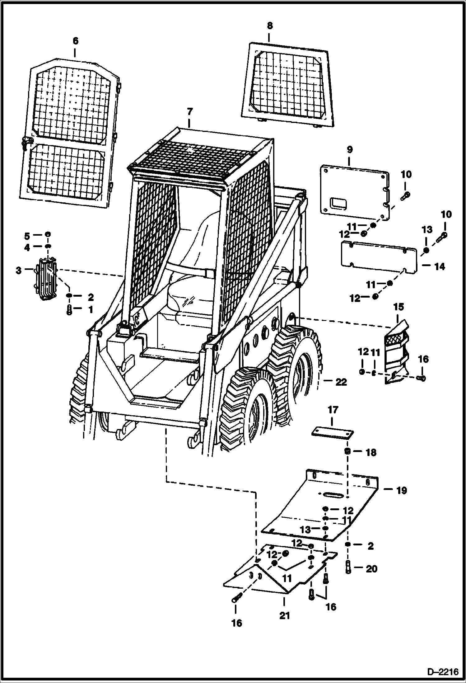
1

17C616

BOLT 5

2

25E17

WASHER 5

3

GUARD NLA - air intake - Was 6501430 - A

4

4E6

WASHER

5

91D5

NUT 5 Was 81D000005B - A

6

6542545

DOOR screened

7

CAB See Illustration OPERATOR CAB/ E1296 SALES

8

6542686

WINDOW screened

9

COUNTERWEIGHT NLA - 85 lbs. - Was 6503167 - A

10

17C856

BOLT

11

4E8

WASHER

12

61D8

NUT 5

13

25E21

WASHER 5

14

6548613

COUNTERWEIGHT 45 lbs.

15

6501431

GUARD NLA - Was 6501431

16

7C820

BOLT carriage

17

COVER NLA - oil drain - Was 6501432 - A

18

6515275

NUTSERT

19

6503119

BELLY PAN rear

20

17C612

BOLT 5

21

BELLY PAN NLA - front - WAS 6503118 - A

22

TIRE NLA - nylon - 10:00 x 16.5, 6 ply flotation - steel cap - Was 6550828 - A

22

6510793

RIM See BTI197ldr

22

1614765

VALVE STEM, TIRE tubeless - Was 614765 - D

Выбрано товаров: 24