Запчасти Bobcat 600s HYDRAULIC CIRCUITRY HYDRAULIC SYSTEM

Схема запчастей Bobcat 600s - HYDRAULIC CIRCUITRY HYDRAULIC SYSTEM
FIT
1:1
100%

Артикул

Название

Примечание

Количество

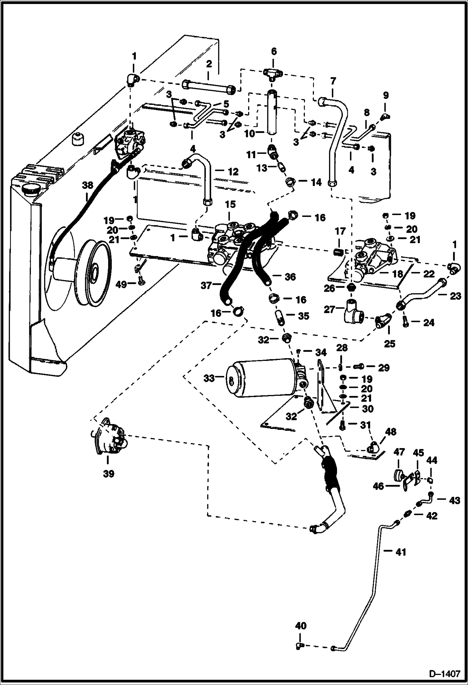
1

83F8

ELBOW

2

TUBE NLA - Was 6501066 - A

3

89F5

CONNECTR

4

TUBE NLA - Was 6501068 - A

5

TUBE NLA - Was 6501067 - A

6

98F8

TEE

7

TUBE NLA - Was 6501069 - A

8

TUBE NLA - Was 6501158 - A

9

83F5

ELBOW

10

VALVE See Illustration CLUTCH PRESSURE RELIEF VALVE/ B1170 NLA - RELIEF - WAS 6501073 - A

11

26F4

ELBOW

12

TUBE NLA - Was 6501078 - A

13

6511859

ADAPTER

14

42H12

CLAMP 10

15

VALVE / CORE EXCHANGE REQUIRED See Illustration LIFT CYLINDER & AUXILIARY VALVE/ C1240 NLA - hydraulic - Was 6504941REM - A

16

42H32

HS CLAMP5

17

5K611

NIPPLE

18

6504942

VALVE See Illustration TILT CYLINDER VALVE/ C1049 TILT

19

61D6

NUT 5

20

4E6

WASHER

21

25E17

WASHER 5

22

6502908

PLATE valve mount

23

TUBE NLA - Was 6501033 - A

24

17C640

BOLT 5

25

6515134

TEE

26

663013

CONN

27

6504940

VALVE See Illustration MASTER RELIEF VALVE/ B13855 MASTER RELIEF

28

4E5

WASHER

29

17C512

BOLT 5

30

PLATE NLA - Was 6504836 - A

31

17C616

BOLT 5

31

84G3716

SCREW 5

32

19F16

BUSHING

33

FILTER See Illustration HYDRAULIC OIL FILTER/ B13878 NLA - hydrostatic - 10 micron - Was 6555477 - A

34

40K2

PLUG

35

ADAPTER NLA - Was 6502416 - A

36

HOSE NLA - Order 10'' (254 mm) of 6518134 - Was 6502917 - A

36

6518134

HOSE Bulk - Sold Per Foot

37

6507125

HOSE

38

See Illustration VARIABLE SPEED DRIVE CIRCUITRY/ C3260 VARIABLE SPEED CIRCUITRY

39

PUMP See Illustration HYDRAULIC PUMP CIRCUITRY/ B1166 CIRCUITRY

40

83F3

ELBOW 5

41

TUBE NLA - Was 6501160 - A

42

87F3

ADAPTOR

43

TUBE NLA - Was 6501116 - A

44

85F3

ELBOW

45

BRACKET NLA - Was 6502775 - A

46

BRACKET NLA - Was 6503450 - A

47

6654208

GAUGE vacuum - Was 6518226 - A

48

83F10

ELBOW

49

84G3712

BOLT 5

Выбрано товаров: 0