Запчасти Bobcat 600s MAIN FRAME ELECTRICAL CIRCUITRY S/N 4956 M 1780 Thru 19999 ELECTRICAL SYSTEM

Схема запчастей Bobcat 600s - MAIN FRAME ELECTRICAL CIRCUITRY S/N 4956 M 1780 Thru 19999 ELECTRICAL SYSTEM
FIT
1:1
100%

Артикул

Название

Примечание

Количество

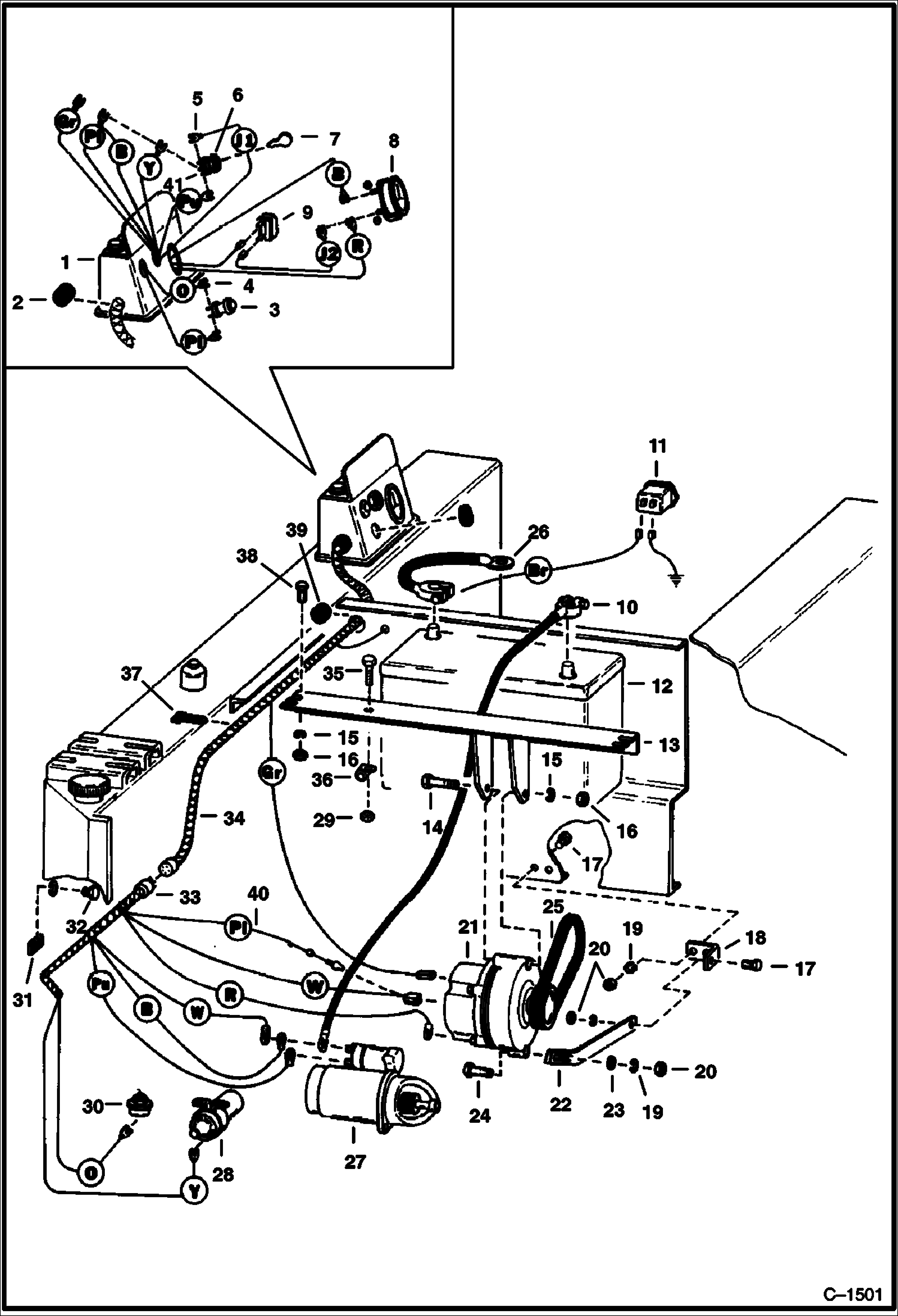
1

PANEL See Illustration MAIN FRAME/ D1405 INSTRUMENT

2

565049

GROMMET

3

6515427

LIGHT oil pressure

3

BULB NSS - GE 1815

4

WIRE NLA

5

WIRE NLA

6

6518763

SWITCH ignition

7

6505412

KEY

8

6512807

GAUGE ammeter

9

6519001

BREAKER circuit

10

667483

CABLE battery - Positive

11

6664886

HOURMETER Was 6631657 - A

12

6669318

BATTERY Was 6665917 - A

12

6630154

CAP gang - Danger

12

6630155

CAP gang - Poison

12

6514898

CAP tilt-tite

13

BRACKET NLA - Was 6560304 - A

14

17C648

BOLT 5

15

4E6

WASHER

16

61D6

NUT 5

17

17C516

BOLT

18

BRACKET NLA -angle - Was 6505241 - A

19

4E5

WASHER

20

61D5

NUT

21

ALTERNATOR See Illustration ALTERNATOR/ A1284 See Illustration ALTERNATOR/ B21228 See Illustration ALTERNATOR KIT/ B13771 See Illustration ALTERNATOR/ B21250 See Illustration ALTERNATOR/ B21249 FOR AL

22

BAR NLA - mounting - Was 6559859 - A

23

25E15

WASHER

24

17C524

BOLT

24

29CM825

BOLT Metric

25

6505371

BELT See Illustration VARIABLE SPEED JACKSHAFT/ C1377 ALTERNATOR

26

6553094

CABLE battery - Negative

27

STARTER See Illustration STARTER/ A1379

28

887408

IGN COIL

29

81D4

NUT

30

6557924

SWITCH oil pressure

31

6502344

CLIP

32

17C512

BOLT 5

33

6559857

HARNESS engine half

34

6555558

HARNESS panel half

35

17C412

BOLT 5

36

30H29

CLAMP

37

6610510

TIE Was 1715312B - A

38

17C616

BOLT 5

39

6515603

GROMMET

40

3675725

DIODE

41

6502904

NUT ignition switch

Выбрано товаров: 46