Запчасти Bobcat 600s WISCONSIN ENGINE POWER UNIT

Схема запчастей Bobcat 600s - WISCONSIN ENGINE POWER UNIT
FIT
1:1
100%

Артикул

Название

Примечание

Количество

1

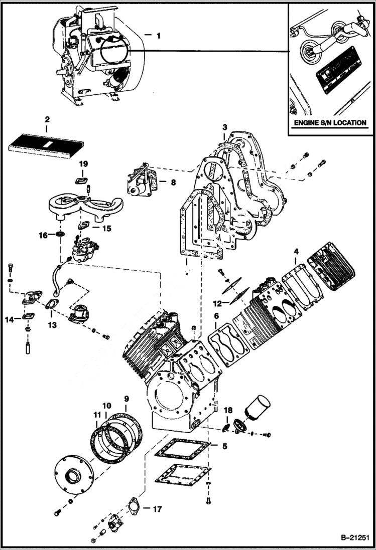
ENGINE NLA - VH4D Gasoline - W/Sarter, carburetor, manifold & flywheel - Does Not Include alternator & oil filter - Order 6560227REM - Was 6560227 - A

1

ENGINE NLA - remanufactured - Was 6560227REM - A

1

ENGINE NLA - VH4DG LP Gas - W/Flywheel, starter, carburetor, manifold, vaporizers & regulators - Does Not Include alternator & oil filter - Was 6519102 - A

2

6517513

KIT hi-temperature shut-off

2

6506492

KIT See Illustration ALTERNATOR KIT/ B13771 ALTERNATOR CONVERSION - USED WHEN REPLACING ENGINE WITH FLYWHEEL ALTERNATOR

2

KIT See Illustration LP GAS GROUP/ B21242 NLA - LP CONVERSION - WAS 6519236 - A

2

6664964

GASKET KIT Overhaul - Was 6516447 - A

3

6516529

GASKET See Illustration CRANKCASE & GEAR COVER/ B21254 Ref. 2

4

6516434

GASKET See Illustration CRANKCASE & GEAR COVER/ B21254 Ref. 12

5

6516444

GASKET See Illustration CRANKCASE & GEAR COVER/ B21254 REF. 23

6

6516437

GASKET See Illustration CRANKCASE & GEAR COVER/ B21254 REF. 29

7

6516531

GASKET See Illustration CRANKCASE & GEAR COVER/ B21254 REF. 33

8

6516617

GASKET See Illustration CRANKCASE & GEAR COVER/ B21254 REF. 37

9

6516456

GASKET See Illustration INTERNAL ENGINE GROUP/ B21255 REF. 28

10

6516457

SHIM See Illustration INTERNAL ENGINE GROUP/ B21255 REF. 29

11

6516458

GASKET See Illustration INTERNAL ENGINE GROUP/ B21255 REF. 30

12

6516498

GASKET4 See Illustration CYLINDER & VALVES/ C1570 Ref.4

13

6516381

GASKET See Illustration FUEL SYSTEM & EXHAUST GROUP/ B21257 Ref. 17

14

6516382

GASKET See Illustration FUEL SYSTEM & EXHAUST GROUP/ B21257 Ref. 20

15

6516398

GASKET See Illustration FUEL SYSTEM & EXHAUST GROUP/ B21257 Ref. 28

16

6516405

GASKET See Illustration FUEL SYSTEM & EXHAUST GROUP/ B21257 Ref. 29

17

6516574

GASKET See Illustration IGNITION COIL, CABLES & DISTRIBUTOR DRIVE/ B21258 Ref. 17

18

6516514

GASKET See Illustration ENGINE OIL FILTER/ B1420 Ref. 7

19

6541299

GASKET not in kit - for muffler w/ flange

Выбрано товаров: 24