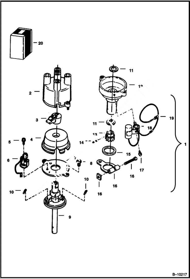
Запчасти Bobcat 600s DISTRIBUTOR (Colt) (Engine S/N 6164221 & Above) POWER UNIT

Схема запчастей Bobcat 600s - DISTRIBUTOR (Colt) (Engine S/N 6164221 & Above) POWER UNIT
FIT
1:1
100%

Артикул

Название

Примечание

Количество

1

DISTRIBUTOR NLA - Order 6660480 - Was 6634241 - A

2

6634242

CAP W/Ref. 3

3

6634243

ROTOR

4

6634244

SHIELD

5

SCREW NSS - Order Ref. 20

6

BREAKER SET NSS - Order Ref. 20

7

PLATE NLA - Was 6634245 - A

8

SCREW NLA - Was 6634246 - A

9

SHAFT NLA - Was 6634248 - A

10

SPRING KIT NLA - 2 Springs - Was 6634249 - A

11

WASHER NSS

12

HOUSING NSS

13

6634327

GEAR W/Ref. 11 & 14

14

PIN NSS

15

WASHER NSS

16

6516556

ARM W/Ref. 15

17

SCREW NSS

18

CONDENSOR NSS - Order Ref. 20

19

6634329

WIRE

20

6634247

BREAKER KIT Ref. 5, 6, 17 & 18

Выбрано товаров: 20