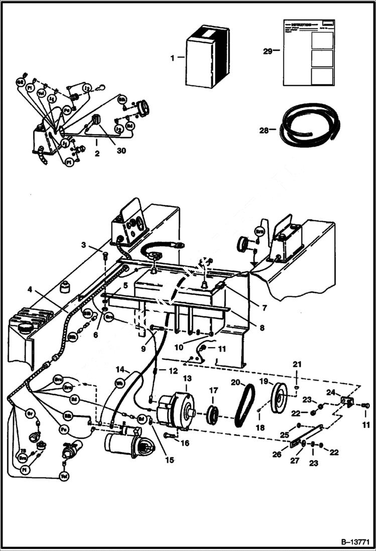
Запчасти Bobcat 600s ALTERNATOR KIT ACCESSORIES & OPTIONS

Схема запчастей Bobcat 600s - ALTERNATOR KIT ACCESSORIES & OPTIONS
FIT
1:1
100%

Артикул

Название

Примечание

Количество

1

6506492

KIT

2

WIRE NLA - Was 6509822 - A

3

17C616

BOLT 5

4

6505456

HARNESS

5

23E6

WASHER

6

61D6

NUT 5

7

CLIP NLA - Was 6502236 - A

8

BRACKET NLA -mount - Was 6505265 - A

9

23C648

BOLT

10

81D6

NUT

11

17C516

BOLT

12

3675725

DIODE

13

ALTERNATOR NLA - Order 6599740REM - Was 6654209 - A

13

6599740REM

ALTERNATOR

14

WIRE NLA - Was 6505458 - A

15

WIRE NLA - Was 6505457 - A

16

17C524

BOLT

17

1526880

PULLEY

18

15G406

SCREW

19

6551201

PULLEY

20

6505371

BELT

21

5J806

KEY

22

61D5

NUT

23

23E5

L WASHER

24

BRACKET NLA -angle - Was 6505241 - A

25

91D5

NUT 5 Was 81D000005B - A

26

6547125

BRACKET

27

25E15

WASHER

28

755622

HOSE-BULK/FOOT

29

INSTRUCTIONS NLA - Print Instructions from BASS - Was 6545917 - A

30

6519001

BREAKER

Выбрано товаров: 31