Запчасти Bobcat 600s FARR AIR CLEANER ACCESSORIES & OPTIONS

Схема запчастей Bobcat 600s - FARR AIR CLEANER ACCESSORIES & OPTIONS
FIT
1:1
100%

Артикул

Название

Примечание

Количество

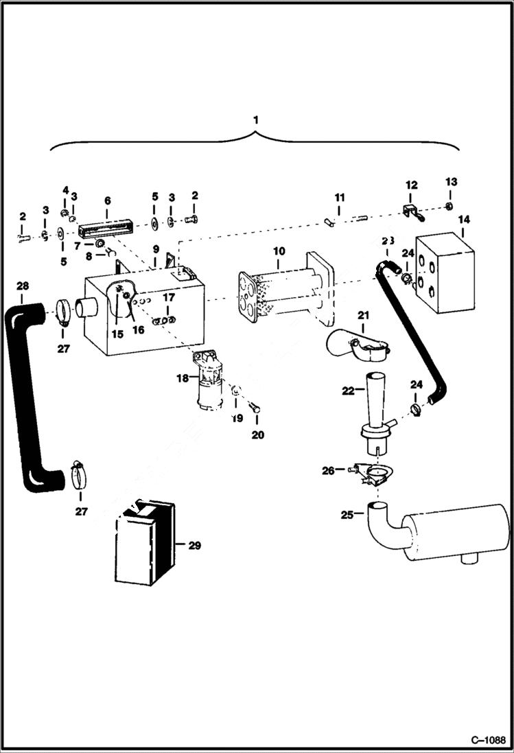
1

6515557

AIR CLEANER assy. - Ref. 2-22

2

17C612

BOLT 5

3

4E6

WASHER

4

61D6

NUT 5

5

25E17

WASHER 5

6

6515036

CHANNEL

7

6E8

WASHER

8

BOLT NLA - carriage bolt - 3/8'' x 1'' - grade 2 - Was 7C000616B - A

9

6515024

HOUSING

10

6515017

ELEMENT

11

ROD NLA - Was 6511961 - A

12

CLAMP NLA

13

NUT NLA - Was 6511296 - A

14

6515025

PRE-CLEANER

15

61D4

NUT 5

16

4E4

WASHER

17

6515022

GASKET

18

INDICATOR NLA - condition - Was 893638 - A

19

WASHER NLA - Was 791837B - A

20

17C412

BOLT 5

21

CAP NLA - Was 6515601 - A

22

6515556

ASPIRATOR

23

HOSE NLA - Was 6503214 - A

24

42H12

CLAMP 10

25

6515470

MUFFLER

26

CLAMP NLA - Was 659179 - A

27

42H32

HS CLAMP5

28

6502957

HOSE

29

AIR CLEANER NLA - assy - Ref. 2-26 - Was 6548650 - A

Выбрано товаров: 29