Качественные детали и логистика
Оригинальные и аналоговые запчасти с доставкой по России, Казахстану и Беларуси
©2022 PartSell ООО "Система" ИНН 2463123282 ОГРН 1212400004838
Центральный офис: г. Красноярск, Академика Киренского, д.87, пом.4
Телефон: 8 (800) 777-65-74 Email: zakaz@partsell.ru
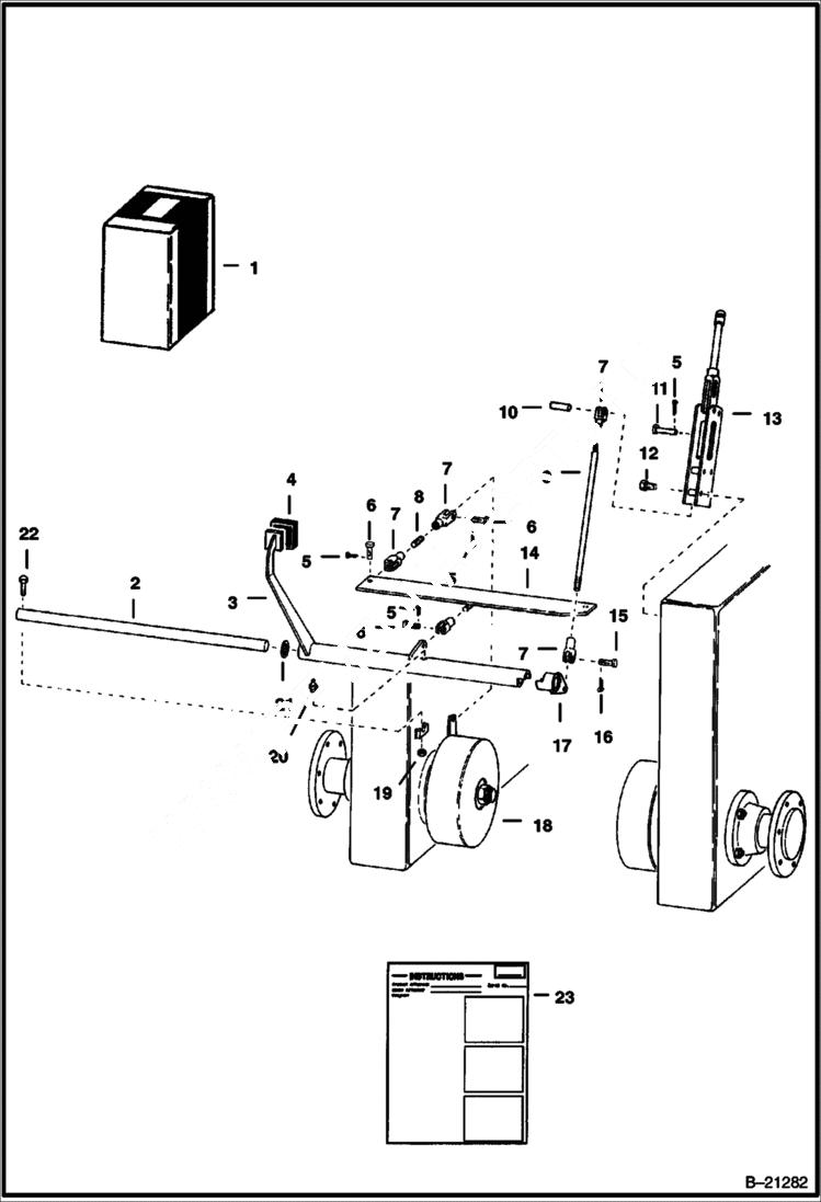
BRAKES
№
Артикул
Название
Примечание
Количество
1
BRAKE KIT See Illustration BRAKES/ B21281 Ref. 1-14 - NLA - Ref. 2-17 & 19-23 on this page - Was 6547224 - A
2
SHAFT NLA - Was 6502910 - A
3
6544372
PEDAL
4
GRIP NLA - Was 6518999 - A
5
1F416
PIN Was 1F-412 - D
6
663350
PIN
7
6508041
YOKE
8
ROD NLA - Was 6509653 - A
9
6590765
ROD
10
6540106
BUSHING
11
PIN NLA - Was 980862 - A
12
17C528
BOLT
13
6519000
LEVER
14
6544374
BAR
15
2F6106
16
1F312
17
6544377
PIVOT
18
BRAKE ASSY. See Illustration BRAKES/ B21281
19
91D5
NUT 5 Was 81D000005B - A
20
11H25
FITTING10
21
25E29
WSHR
22
17C524
23
INSTRUCTIONS NLA - Print Instructions from BASS - Was 6545780 - A
Выбрано товаров: 0