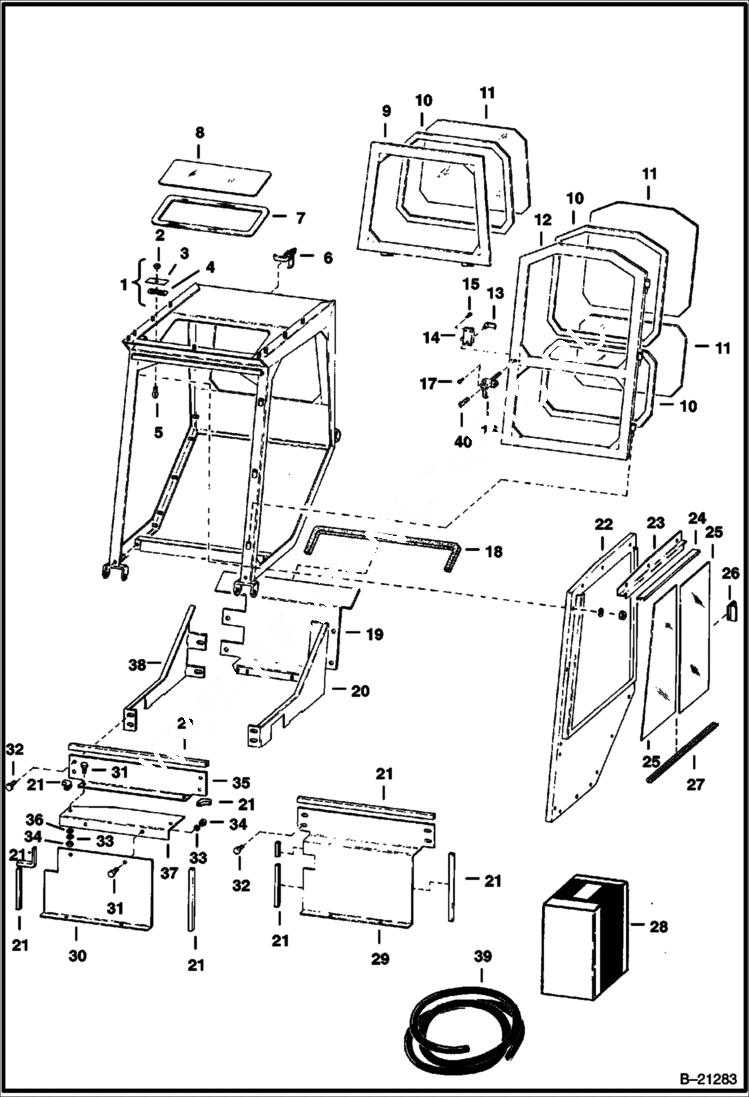
Запчасти Bobcat 600s CAB ENCLOSURE ACCESSORIES & OPTIONS

Схема запчастей Bobcat 600s - CAB ENCLOSURE ACCESSORIES & OPTIONS
FIT
1:1
100%

Артикул

Название

Примечание

Количество

1

6544497

SEAL weather

2

81D4

NUT

3

PLATE NSS

4

STRIP NSS

5

6544495

RING

6

LATCH NLA - Was 6519179 - A

7

SEAL NLA

8

WINDOW NLA

9

6541451

FRAME window

10

SEAL NLA

11

WINDOW NLA

12

6540685

FRAME door

13

6515600

HANDLE

14

6598475

DOOR LATCH

15

SCREW NLA - Was 59G1208 - A

16

1550695

HANDLE

17

75G1008

SCREW

18

6542651

SEAL

19

6542223

PANEL

20

6542285

PANEL

21

SEAL NLA - Order Ref. 28

22

6541462

WINDOW ASSY. R.H. - Ref. 22 - 27

22

6541469

WINDOW ASSY. L.H. - Ref. 22 - 27

23

6547558

BRACKET R.H.

23

6547559

BRACKET L.H.

24

CHANNEL NLA - Order 36'' (914,4 mm) of 6632565 - Was 6541505 - A

25

WINDOW NLA

26

6519421

HANDLE

27

6541506

CHANNEL

28

6519177

SEAL bulk

29

6542249

PANEL

30

6547192

PANEL

31

17C614

BOLT

32

17C408

BOLT

33

4E6

WASHER

34

61D6

NUT 5

35

PANEL NLA - Was 6547193 - A

36

25E17

WASHER 5

37

GUARD See Illustration MAIN FRAME/ B21246 NLA - ORDER 6547556

38

6542284

PANEL R.H.

39

6632565

CHANNEL Bulk - Sold Per Foot

40

6665409

KEY

Выбрано товаров: 0