Качественные детали и логистика
Оригинальные и аналоговые запчасти с доставкой по России, Казахстану и Беларуси
©2022 PartSell ООО "Система" ИНН 2463123282 ОГРН 1212400004838
Центральный офис: г. Красноярск, Академика Киренского, д.87, пом.4
Телефон: 8 (800) 777-65-74 Email: zakaz@partsell.ru
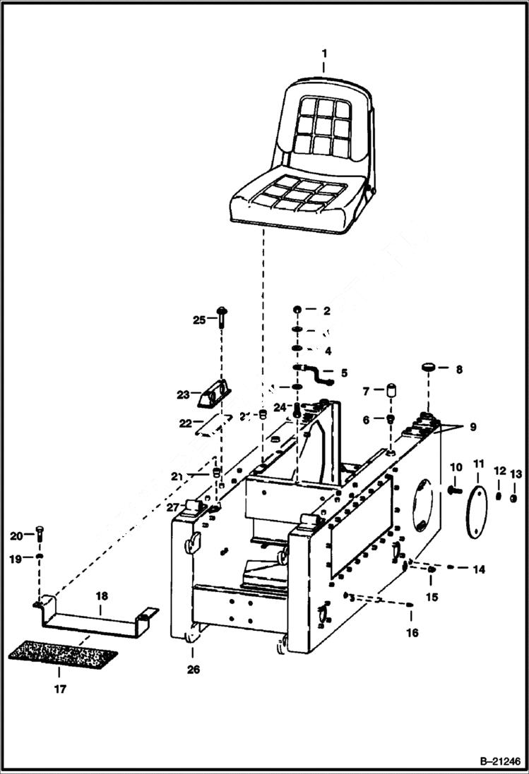
MAIN FRAME Left Side
№
Артикул
Название
Примечание
Количество
1
SEAT See Illustration SEAT/ B7185
2
61D6
NUT 5
3
25E17
WASHER 5
4
6E6
WASHER
5
6553094
CABLE ground
6
19F7
BUSHING
7
6515173
CAP breather
8
6512841
CAP fuel
9
CHANNEL NLA - Weld-on - Was 6502297 - A
10
7C820
BOLT carriage
11
6554939
COVER
12
25E8
WSHR
13
81D8
NUT Lock
14
40K4
PLUG
15
40K12
16
40K2
17
6502459
SAFETY TREAD
18
6547556
GUARD foot
19
4E6
20
17C614
BOLT
21
6515275
NUTSERT
22
6502694
GASKET
23
PANEL NLA - instrument - RH - Was 6502693 - A
24
17C632
BOLT 5
25
BOLT NLA - Order 17C000552B & 25E000015B - Was 6505059 - A
26
6502400
HOOK
27
6541218
MOUNT cab
Выбрано товаров: 0