Качественные детали и логистика
Оригинальные и аналоговые запчасти с доставкой по России, Казахстану и Беларуси
©2022 PartSell ООО "Система" ИНН 2463123282 ОГРН 1212400004838
Центральный офис: г. Красноярск, Академика Киренского, д.87, пом.4
Телефон: 8 (800) 777-65-74 Email: zakaz@partsell.ru
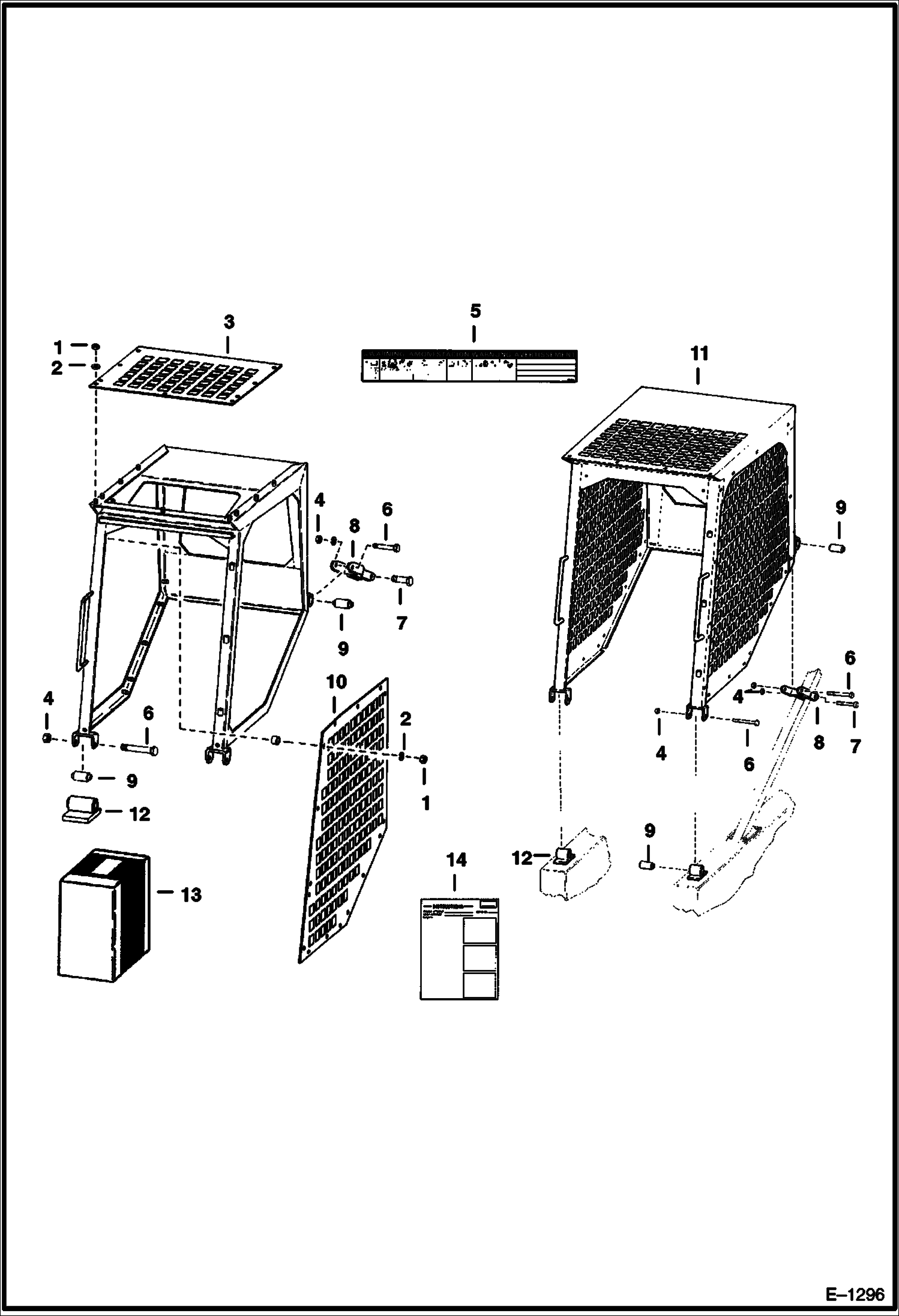
OPERATOR CAB
№
Артикул
Название
Примечание
Количество
1
81D6
NUT
2
25E18
WASHER
3
6555797
SCREEN
4
85D10
NUT, 5
5
6568905
DECAL Was 6564844 - A
6
17C1072
BOLT
7
17C1048
8
6540701
BRACKET
9
6519138
BUSHING
10
6552487
SCREEN punched
11
6553937
CAB operator
12
6541218
MOUNT cab
13
6544488
KIT cab mtg. - Ref. 4, 6 - 8 & 12
14
6556872
INSTRUCTIONS
Выбрано товаров: 14