Запчасти Bobcat 600s STARTER Bosch 0-001-358-047 ELECTRICAL SYSTEM

Схема запчастей Bobcat 600s - STARTER Bosch 0-001-358-047 ELECTRICAL SYSTEM
FIT
1:1
100%

Артикул

Название

Примечание

Количество

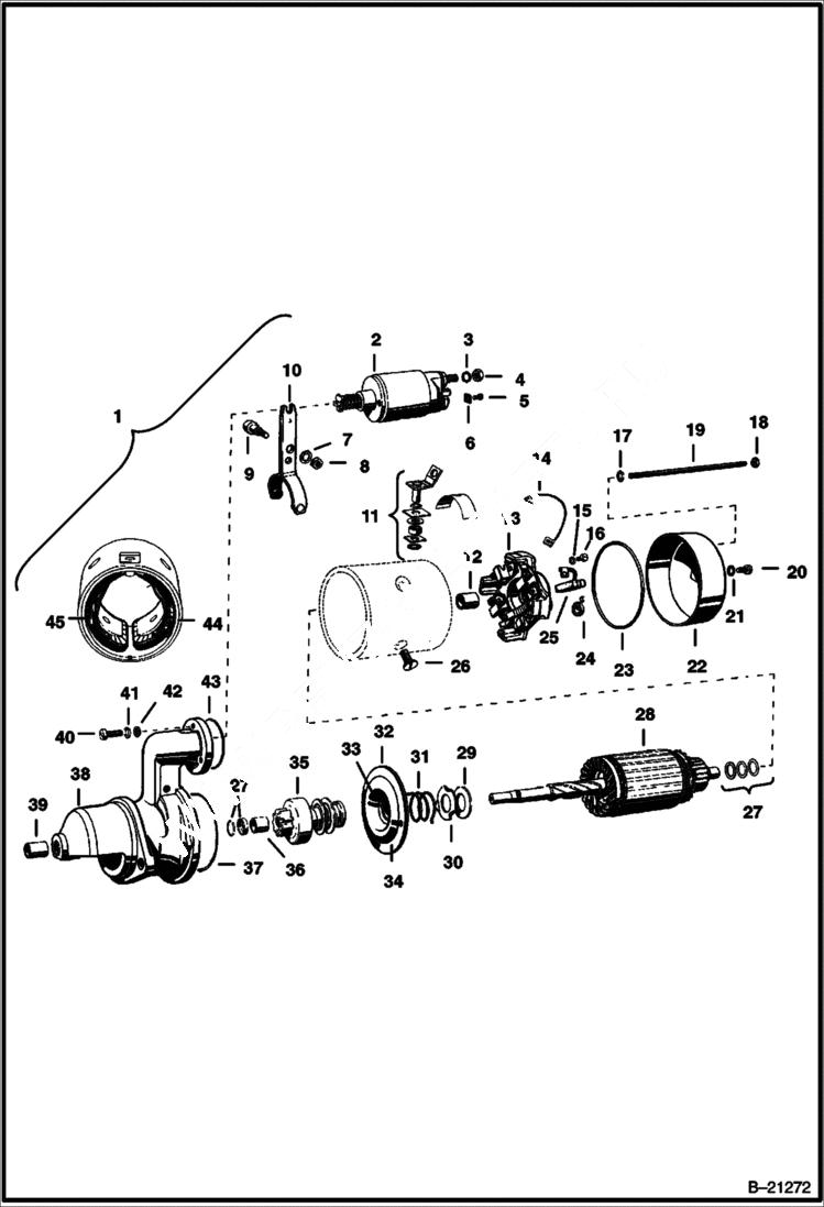
1

STARTER NLA - Order 6513391

2

3727310

RELAY W/Ref. 5 & 6

3

6EM100

WASHER

4

6517900

NUT

5

6517901

SCREW

6

3726936

BRACKET

7

4E5

WASHER

8

6517902

NUT

9

3551966

SCREW

10

6518229

LEVER

11

6518238

HARDWARE hardware

12

3726930

BUSHING

13

4148076

FRAME W/Ref. 12, 14 - 16, 24 & 25

14

6518235

LEAD

15

6EM50

LOCK-WSHR

16

6518234

SCREW

17

4151803

WASHER

18

1DM6

NUT

19

BOLT NLA - Was 6518232 - A

20

6517907

SCREW

21

6517908

WASHER

22

6518236

COVER W/Ref. 19

23

4148037

GASKET

24

3727309

SPRING

25

3727308

BRUSH See General Service Bulletin G-006 - w/ wires

26

6518227

SCREW

27

6513369

WASHER SET washer armeture - Was 6517910 - A

28

4148057

ARMATURE

29

3726922

WASHER

30

3726923

PLATE spring

31

3726924

SPRING

32

3726925

SEAL

33

3727305

BUSHING

34

6518233

BEARING

35

4148083

DRIVE W/Ref. 36

36

3727307

BUSHING

37

6518230

O-RING

38

6518228

FRAME W/Ref. 39

39

3739046

BUSHING

40

SCREW NLA - Was 6518237 - A

41

4151803

WASHER

42

6517014

WASHER

43

6518231

O-RING

44

4148061

COILS Field 3 & 4

45

4148062

COILS Field 1 & 2

Выбрано товаров: 45