Качественные детали и логистика
Оригинальные и аналоговые запчасти с доставкой по России, Казахстану и Беларуси
©2022 PartSell ООО "Система" ИНН 2463123282 ОГРН 1212400004838
Центральный офис: г. Красноярск, Академика Киренского, д.87, пом.4
Телефон: 8 (800) 777-65-74 Email: zakaz@partsell.ru
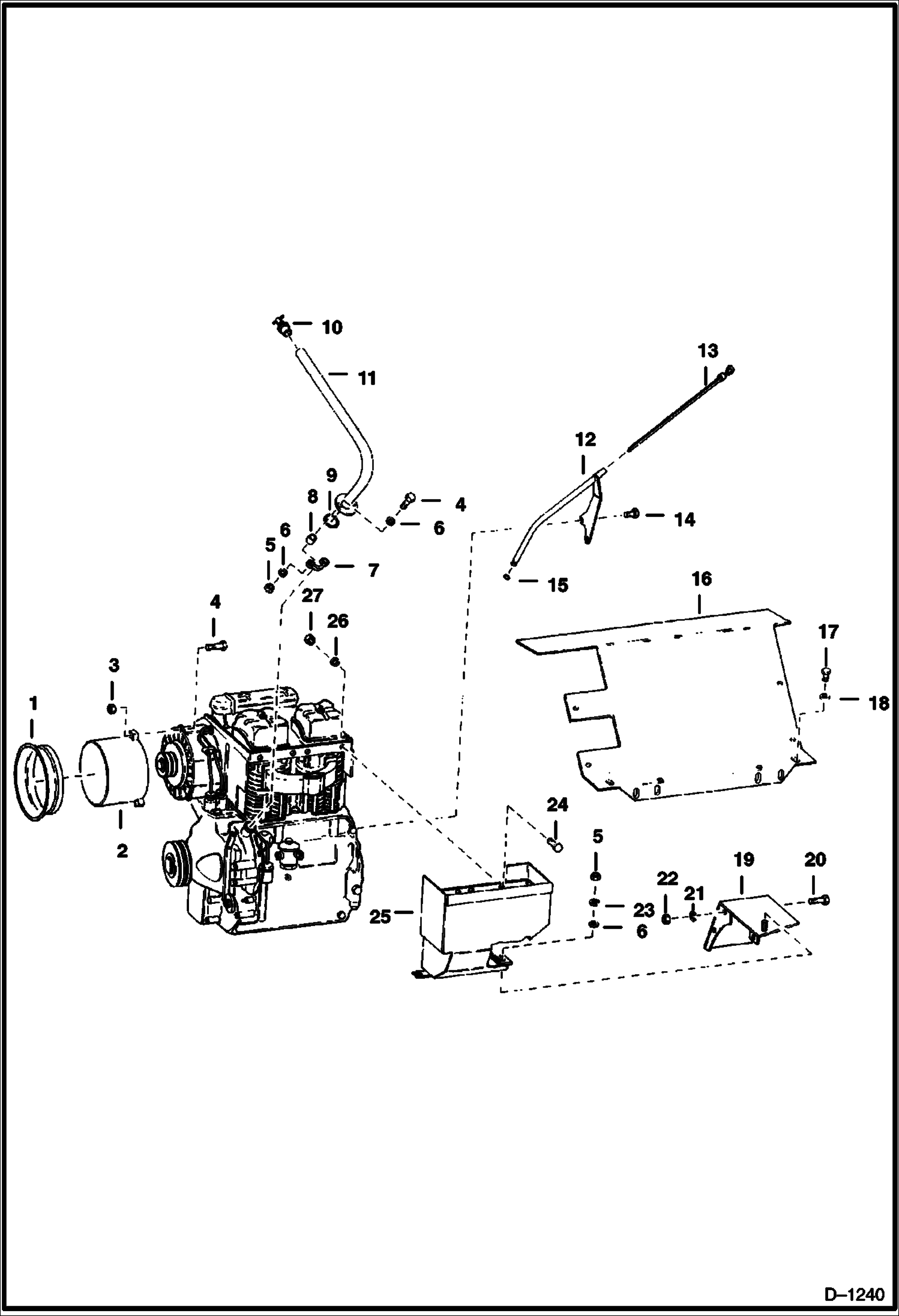
ENGINE & ATTACHING PARTS Deutz F2L411D
№
Артикул
Название
Примечание
Количество
1
4275657
BEAD
6515779
CAP
2
4275655
SHROUD
3
81D4
NUT
4
17C420
BOLT
5
61D4
NUT 5
6
25E13
WASHER 5
7
4275672
COLLAR
8
4275650
SPACER
9
O-RING NLA - Was 6505542 - A
10
11
4275668
TUBE oil fill
12
6543877
TUBE dipstick
13
6515534
DIPSTICK
14
1CM820
BOLT Was 4CM820 - A
15
6515616
O-RING
16
6547923
COVER engine
17
BOLT NLA - Was 176612B - A
18
25E17
19
SHIELD NLA - drive sheave - Was 6501501 - A
20
17C624
BOLT 5
21
4E6
WASHER
22
61D6
23
4E4
24
1CM620
BOLT Was 4CM620 - A
25
6547932
26
6EM60
WASHER, SPRING
27
25DM6
Выбрано товаров: 0