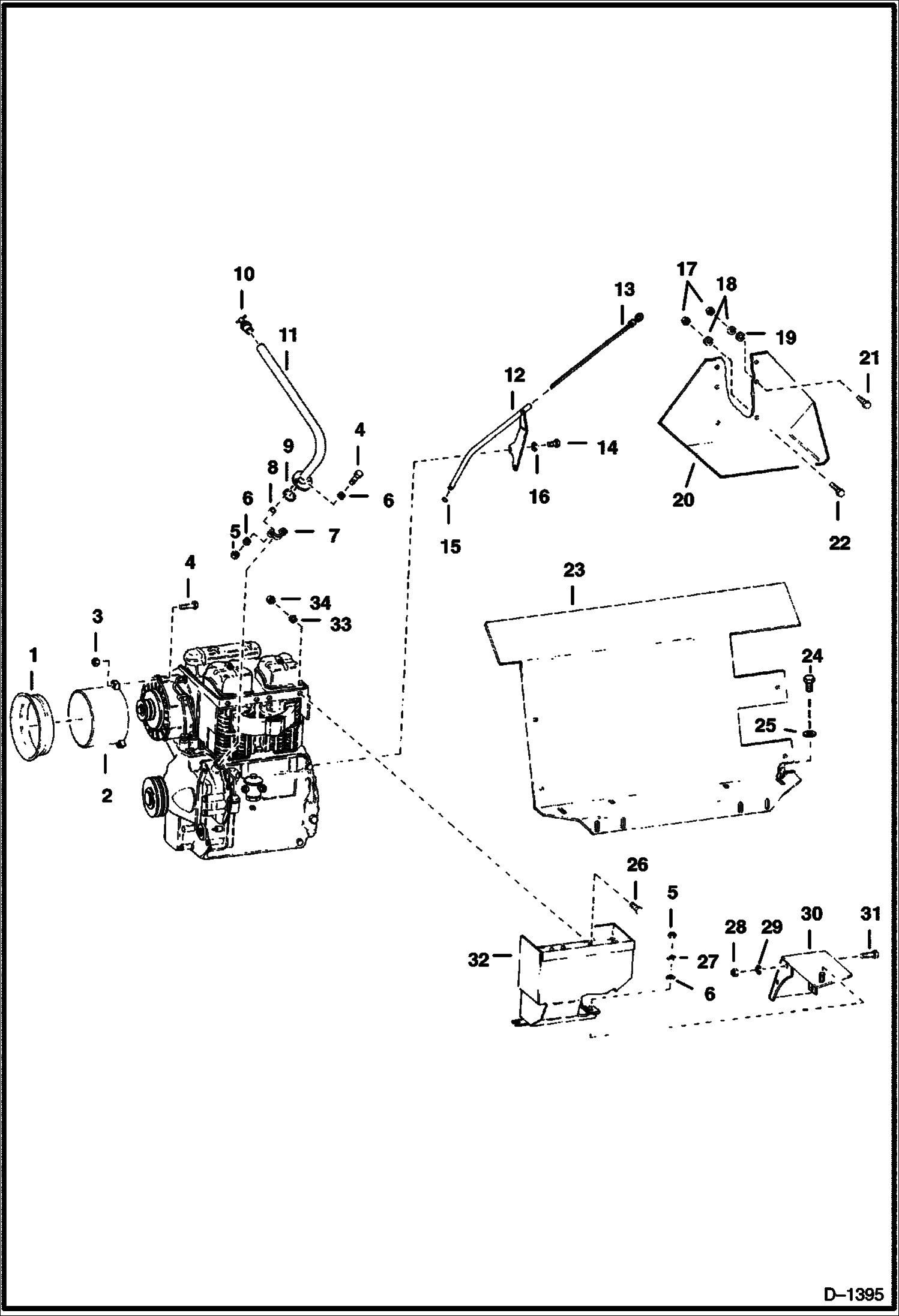
Запчасти Bobcat 600s ENGINE & ATTACHING PARTS Deutz F2L411W POWER UNIT

Схема запчастей Bobcat 600s - ENGINE & ATTACHING PARTS Deutz F2L411W POWER UNIT
FIT
1:1
100%

Артикул

Название

Примечание

Количество

1

4275657

BEAD

2

4275655

SHROUD

3

81D4

NUT

4

17C420

BOLT

5

61D4

NUT 5

6

25E13

WASHER 5

7

4275672

COLLAR

8

4275650

SPACER

9

O-RING NLA - Was 6505542 - A

10

6515779

CAP

11

4275668

TUBE oil fill

12

6543877

TUBE dipstick

13

6515534

DIPSTICK

14

1CM820

BOLT Was 4CM820 - A

15

6515616

O-RING

16

6EM80

WASHER, SPRING

17

61D5

NUT

18

4E5

WASHER

19

6552653

SPACER

20

6552625

SHIELD

21

17C520

BOLT 5

22

17C512

BOLT 5

23

6547923

COVER engine

24

17C612

BOLT 5

25

25E17

WASHER 5

26

1CM620

BOLT Was 4CM620 - A

27

4E4

WASHER

28

61D6

NUT 5

29

4E6

WASHER

30

SHIELD NLA - drive sheave - Was 6501501 - A

31

17C624

BOLT 5

32

6547932

SHROUD air

33

6EM60

WASHER, SPRING

34

25DM6

NUT

Выбрано товаров: 34