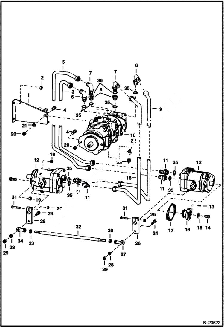
Запчасти Bobcat 600s HYDROSTATIC PUMP & MOTOR FITTINGS (S/N 1098 & Below) HYDROSTATIC SYSTEM

Схема запчастей Bobcat 600s - HYDROSTATIC PUMP & MOTOR FITTINGS (S/N 1098 & Below) HYDROSTATIC SYSTEM
FIT
1:1
100%

Артикул

Название

Примечание

Количество

1

6546872

BRACKET mtg.

2

61D6

NUT 5

3

6541564

TUBE

4

17C824

BOLT 5

5

6541562

TUBE

6

17K8

FITTING 90 degree - W/Ref. 35

7

17KB1210

FITTING, HYD ELBOW 90 degee - W/Ref. 36 - Was 6714901 - A

8

6546667

ADAPTER reducing - W/Ref. 35

9

6541430

TUBE

10

PUMP See Illustration HYDROSTATIC PUMP/ B20625 HYDROSTATIC

11

15K8

FITTING W/Ref. 35

12

MOTOR See Illustration HYDROSTATIC MOTOR/ B2082 See Illustration HYDROSTATIC MOTOR/ D1249 HYDROSTATIC

13

7J3108

KEY square - Was 7J003012B - B

14

18C612

BOLT

15

774813

WASHER

16

6540650

SPROCKET

17

6544531

KIT shim & gasket

18

6541431

TUBE

19

61D7

NUT

20

61D8

NUT 5

21

25E22

WASHER

22

534711

CONNECTOR

23

SWITCH NLA - hydro temp - Was 6512068 - A

24

17C624

BOLT 5

25

61D4

NUT 5

26

6542787

ARM

27

6512954

ROD END R.H. threads

28

25E18

WASHER

29

81D6

NUT

30

8D6

NUT 5

31

17C432

BOLT

32

6555471

ROD

33

13D6

NUT

34

6512955

SWIVEL L.H. threads

35

79K12

O RING 10

36

79K10

O RING 10

Выбрано товаров: 36