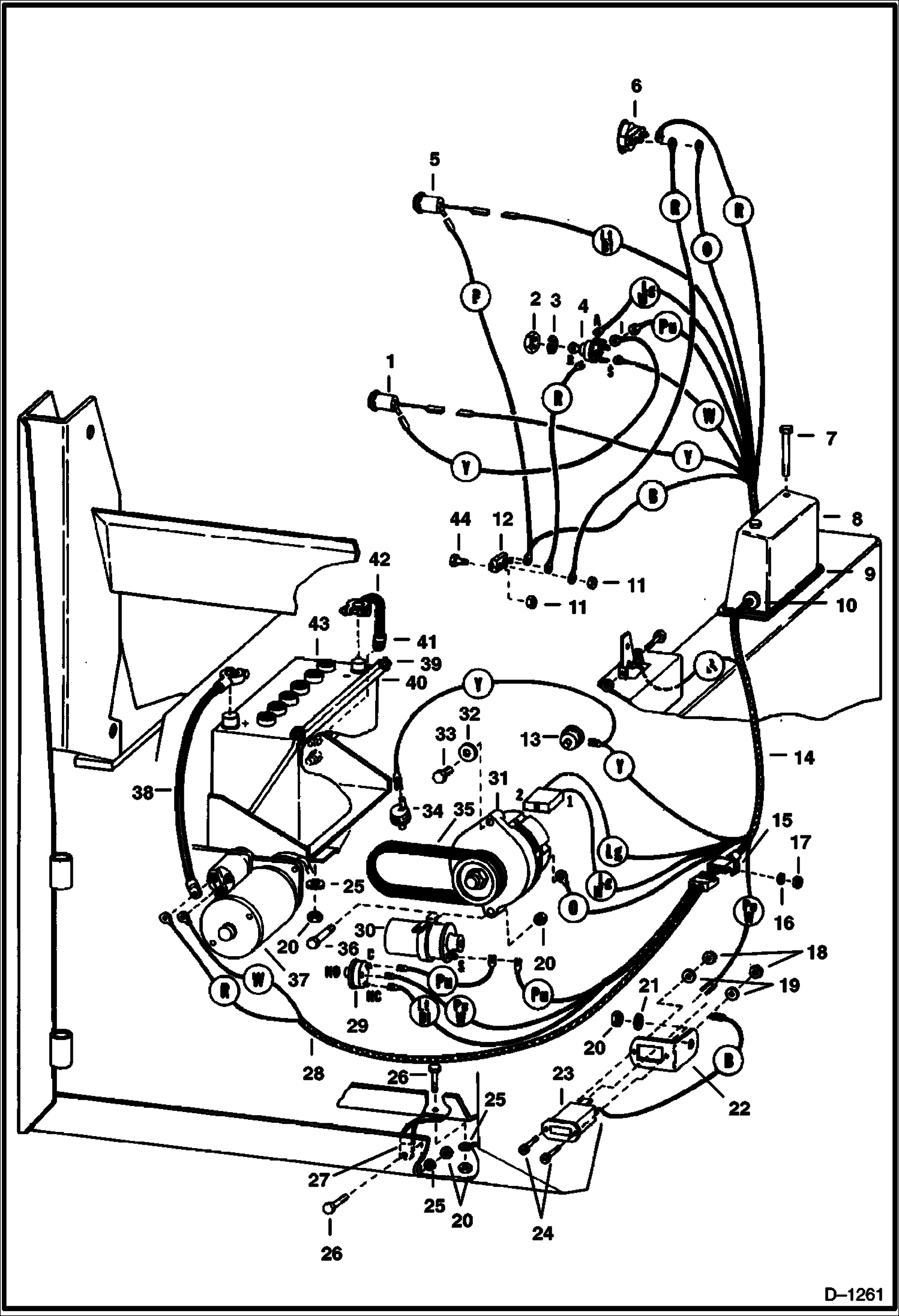
Запчасти Bobcat 600s ELECTRICAL CIRCUITRY ELECTRICAL SYSTEM

Схема запчастей Bobcat 600s - ELECTRICAL CIRCUITRY ELECTRICAL SYSTEM
FIT
1:1
100%

Артикул

Название

Примечание

Количество

1

LIGHT NLA - transmission temp - Was 6515525 - A

2

6502904

NUT

3

6E9

LOCKWASHE Was 9E-9 - B

4

6519907

SWITCH ignition

4

6505412

KEY

5

6512343

LIGHT engine oil pressure

6

6512807

GAUGE ammeter

7

BOLT NLA - Order 17C000552B & 25E000015B - Was 6505059 - A

8

6553654

COVER instrument

9

GASKET NLA

10

730630

GROMMET

11

12D10

NUT

12

6519746

BREAKER circuit

13

6519334

SWITCH hydro. pressure

14

6552904

HARNESS wiring - Instrument Panel

15

30H34

CLAMP

16

25E13

WASHER 5

17

61D4

NUT 5

18

12D4

NUT

19

WASHER NLA - Was 15E000006B - A

20

61D6

NUT 5

21

25E17

WASHER 5

22

6552906

BRACKET

23

6664886

HOURMETER Was 6631657 - A

24

85G608

SCREW

25

25E18

WASHER

26

17C620

BOLT

27

6514523

CABLE ground

28

6555120

HARNESS wiring - Engine

29

6519242

SWITCH engine oil pressure

30

887408

IGN COIL ignition

31

ALTERNATOR See Illustration ALTERNATOR/ B20628 See Illustration ALTERNATOR/ B20626

32

25E16

WSHR

33

17C516

BOLT

34

SWITCH NLA - hydro temp - Was 6512068 - A

35

6541934

BELT

36

BOLT NLA - Was 7C000648B - A

37

6515795

STARTER See Illustration STARTER/ A1379

38

6514504

CABLE battery

39

6548876

ROD Front

39

6548877

ROD rear

40

6548878

HOLDDOWN battery

41

91D5

NUT 5 Was 81D000005B - B

42

6553094

CABLE battery

43

6649716

BATTERY Was 6515914 - A

43

6630152

CAP battery

44

85G1008

SCREW

Выбрано товаров: 47