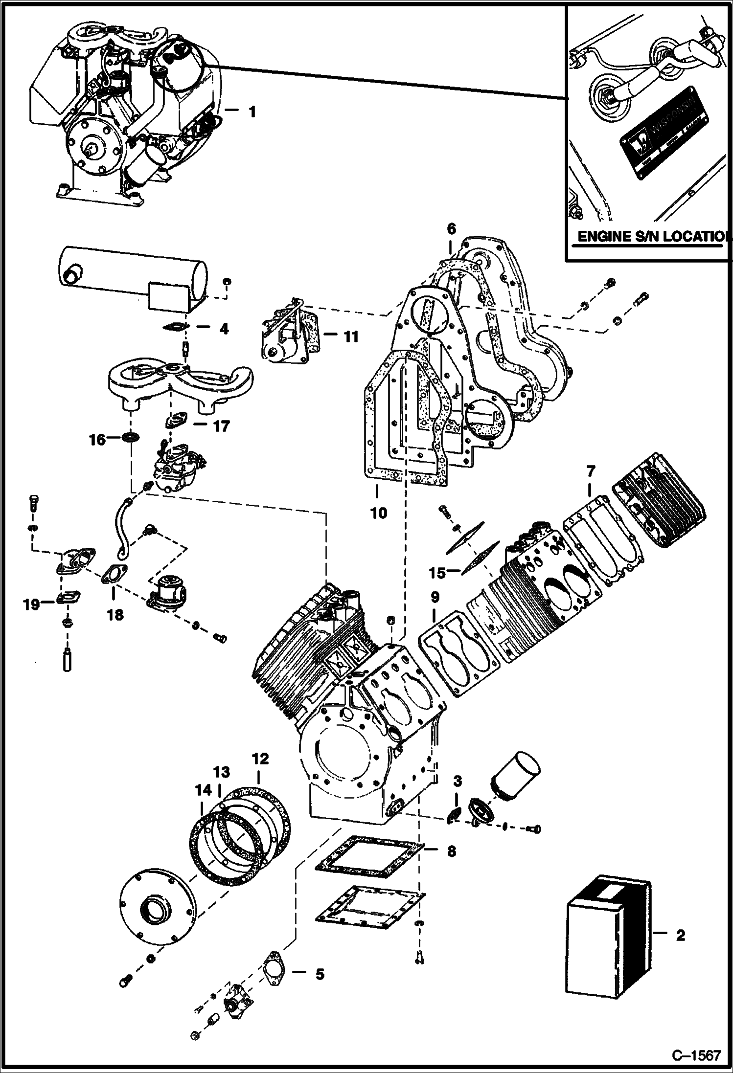
Запчасти Bobcat 600s WISCONSIN ENGINE POWER UNIT

Схема запчастей Bobcat 600s - WISCONSIN ENGINE POWER UNIT
FIT
1:1
100%

Артикул

Название

Примечание

Количество

1

ENGINE NLA - gasoline, complete with fuel pump & spark plugs - Does not include Muffler, Air Cleaner, Alternator - VH4D - Order 6553439REM - Was 6553439 - A

1

ENGINE NLA - Remanufactured - Was 6553439REM - A

2

6664964

GASKET KIT Complete Overhaul - W/Ref. 3 - 19 - Was 6516447 - A

3

6516514

GASKET See Illustration ENGINE & ATTACHING PARTS/ B20629 - See Ref. 19 on Illustration B20629

4

6541299

GASKET See Illustration ENGINE & ATTACHING PARTS/ B20629 - See Ref. 37 on Illustration B20629

5

6516574

GASKET See Illustration IGNITION COIL, CABLES & DISTRIBUTOR DRIVE/ C1566 - See Ref. 18 on Illustration C1566

6

6516529

GASKET See Illustration CRANKCASE & GEAR COVER/ C1571 - See Ref. 2 on Illustration C1571

7

6516434

GASKET See Illustration CRANKCASE & GEAR COVER/ C1571 - See Ref. 12 on Illustration C1571

8

6516444

GASKET See Illustration CRANKCASE & GEAR COVER/ C1571 - See Ref. 27 on Illustration C1571

9

6516437

GASKET See Illustration CRANKCASE & GEAR COVER/ C1571 - See Ref. 32 on Illustration C1571

10

GASKET See Illustration CRANKCASE & GEAR COVER/ C1571 NLA - See Ref. 36 on Illustration C1571 - Was 6510824 - A

11

6516617

GASKET See Illustration CRANKCASE & GEAR COVER/ C1571 - See Ref. 40 on Illustration C1571

12

6516456

GASKET See Illustration INTERNAL ENGINE PARTS/ C1565 - See Ref. 27 on Illustration C1565

13

6516457

SHIM See Illustration INTERNAL ENGINE PARTS/ C1565 - See Ref. 28 on Illustration C1565

14

6516458

GASKET See Illustration INTERNAL ENGINE PARTS/ C1565 - See Ref. 29 on Illustration C1565

15

6516498

GASKET4 See Illustration CYLINDER & VALVES/ C1570 - See Ref. 4 on Illustration C1570

16

6516405

GASKET See Illustration FUEL PUMP, CARBURETOR & MANIFOLD/ C1569 - See Ref. 8 on Illustration C1569

17

6516398

GASKET See Illustration FUEL PUMP, CARBURETOR & MANIFOLD/ C1569 - See Ref. 9 on Illustration C1569

18

6516381

GASKET See Illustration FUEL PUMP, CARBURETOR & MANIFOLD/ C1569 - See Ref. 16 on Illustration C1565

19

6516382

GASKET See Illustration FUEL PUMP, CARBURETOR & MANIFOLD/ C1569 - See Ref. 19 on Illustration C1565

Выбрано товаров: 20