Запчасти Bobcat 600s ENGINE & ATTACHING PARTS POWER UNIT

Схема запчастей Bobcat 600s - ENGINE & ATTACHING PARTS POWER UNIT
FIT
1:1
100%

Артикул

Название

Примечание

Количество

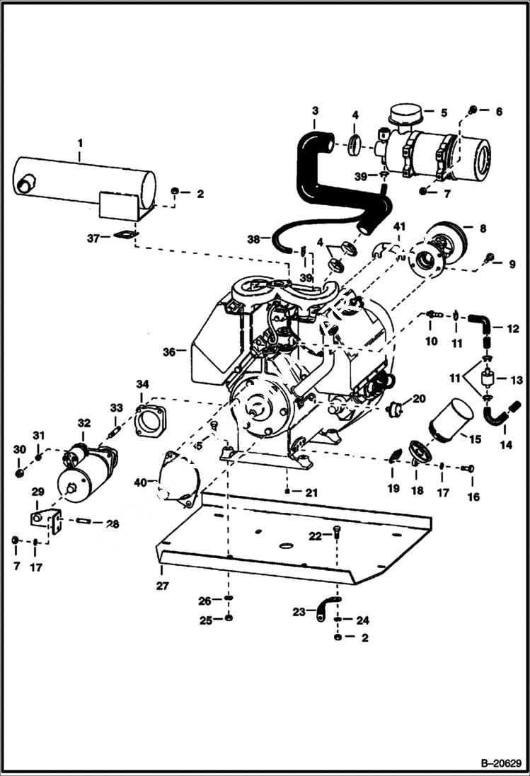
1

6541298

MUFFLER

2

61D6

NUT 5

3

6544538

HOSE

4

42H32

HS CLAMP5

5

AIR CLEANER See Illustration AIR CLEANER/ B17881

6

17C516

BOLT

7

61D5

NUT

8

UNIVERSAL JOINT See Illustration UNIVERSAL JOINT/ B1439

9

17C616

BOLT 5

10

6505513

ADAPTER

11

42HS04

CLAMP, HOSE Was 6515575 - A

12

6542222

HOSE

13

6511393

FILTER fuel

14

6540526

HOSE

15

6513641

FILTER engine oil filter

16

17C516

BOLT

17

4E5

WASHER

18

HEAD See BTI198 NLA - filter - W/Element

19

6516514

GASKET

20

6519242

SWITCH pressure

21

40K6

PLUG pipe

22

17C620

BOLT

23

6514523

CABLE

24

25E18

WASHER

25

61D8

NUT 5

26

25E21

WASHER 5

27

6547312

PLATE

28

6516346

STUD

29

6511660

BRACKET

30

61D6

NUT 5

31

4E6

WASHER

32

6515795

STARTER See Illustration STARTER/ A1379

33

6516348

STUD

34

6516349

BRACKET

35

17C840

BOLT

36

ENGINE See Illustration WISCONSIN ENGINE/ C1567 VH4D WISCONSIN

37

6541299

GASKET

38

6544539

HOSE

39

6515132

CLAMP

40

6548503

SHIELD

41

6547178

SUPPORT hose

Выбрано товаров: 41