Запчасти Bobcat 600s AUXILIARY HYDRAULIC KIT (Front Unit) ACCESSORIES & OPTIONS

Схема запчастей Bobcat 600s - AUXILIARY HYDRAULIC KIT (Front Unit) ACCESSORIES & OPTIONS
FIT
1:1
100%

Артикул

Название

Примечание

Количество

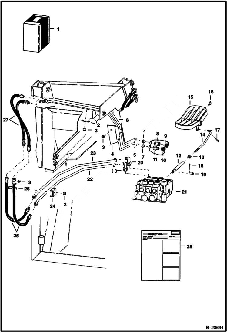
1

KIT NLA - front unit auxiliary - Order Ref. 2 - 20 & 22 - 28 - Was 6552910 - A

2

6502203

CLAMP tube

3

81D6

NUT

4

6546214

SHIELD

5

6547171

TUBE Outer

6

6547170

TUBE Inner

7

89F7

ADAPTOR

8

6598756

QUICK COUPLER Female

8

25K40026

O RING 10

9

6515167

PLUG dust - W/Chain

10

6515168

CAP dust - W/Chain

11

6598755

QUICK COUPLER Male

12

6551167

TUBE linkage

13

8D8

NUT

14

6551166

ROD linkage

15

6551165

PEDAL auxiliary

16

12H25

FITTING

17

1F416

PIN cotter - Was 1F000516B - A

18

1F308

PIN, COTTER

19

1304227

PIN clevis

20

17K7

ELBOW W/O-Ring

20

79K10

O RING 10

21

VALVE See Illustration HYDRAULIC CONTROL VALVE/ B12204 See Illustration HYDRAULIC CONTROL VALVE/ B20419 HYDRAULIC

22

6544514

TUBE rear Port

23

6544513

TUBE Front Port

24

6541684

CLAMP tube

25

6546460

HOSE

26

6502773

CLAMP tube

27

6541094

HOSE

28

INSTRUCTIONS NLA - Print Instructions from BASS - Was 6549769 - B

Выбрано товаров: 30