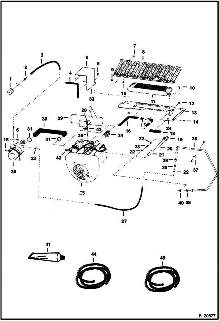
Запчасти Bobcat 600s ENGINE & ATTACHING PARTS (S/N 15001 & Above) POWER UNIT

Схема запчастей Bobcat 600s - ENGINE & ATTACHING PARTS (S/N 15001 & Above) POWER UNIT
FIT
1:1
100%

Артикул

Название

Примечание

Количество

1

1735188

INDICATR

2

6505813

CONNECTOR

3

HOSE NLA - 24'' long - Order 2 ft. Ref. 45 - Was 6559797 - A

4

SEAL NLA - Was 6558199 - A

5

6560627

SHIELD

6

17C512

BOLT 5

7

84G3712

BOLT 5

8

6587868

GRILL

9

57D6

NUT 5

10

84G3716

SCREW 5

11

6560954

OIL COOLER

12

6557949

MOULDING

13

SHIELD NLA - WAS 6560620 - A

14

10C512

BOLT Was 6553808 - A

15

91D5

NUT 5 Was 81D000005B - B

16

6561711

MOULDING 4126590

17

MOULDING NLA - 25'' long - Order 3 ft. of 6646705 Bulk

18

6557549

SEAL Use 7'' of 6513152

19

6515567

CAP

20

6513623

TUBE oil filler

21

6513672

ADAPTER

22

42HS04

CLAMP, HOSE Was 6515575 - A

23

HOSE NLA - 12'' long - Order Ref. 44 - Was 6560629 - A

24

6512894

NUT

25

ENGINE See Illustration ENGINE/ B20681 Wisconsin

26

STUD NLA - Was 6560105 - A

27

6561677

HOSE

28

6557320

NUT

29

6560582

MUFFLER spark arrestor

30

HOSE NLA - Was 6560621 - A

31

42H32

HS CLAMP5 Was 42H000024B - B

32

24F1

ELBOW

33

MOULDING NLA - Order 12'' of 6646705 - Was 6560632 - A

34

CARBURETOR See Illustration CARBURETOR/ B20688 NLA - Was 6514862 - A

35

AIR CLEANER See Illustration AIR CLEANER/ B20689

36

TUBE NLA - Was 6561676 - A

37

30H42

CLAMP

38

ADAPTER NLA - Was 6561675 - A

39

666864

FTG,NIPPL

40

FTG ELBOW NLA - Was 6599481 - A

41

SEALANT NLA - muffler gasket - Order MEL-1122 from OTC - Was 6561882 - A

42

6541299

GASKET

43

DIPSTICK See Illustration CRANKCASE & GEAR COVER/ C2298 NLA - oil - Was 6513392 - A

44

656247

HOSE-BULK bulk - Sold Per Foot

45

6557720

HOSE bulk - Sold Per Foot

Выбрано товаров: 45