Качественные детали и логистика
Оригинальные и аналоговые запчасти с доставкой по России, Казахстану и Беларуси
©2022 PartSell ООО "Система" ИНН 2463123282 ОГРН 1212400004838
Центральный офис: г. Красноярск, Академика Киренского, д.87, пом.4
Телефон: 8 (800) 777-65-74 Email: zakaz@partsell.ru
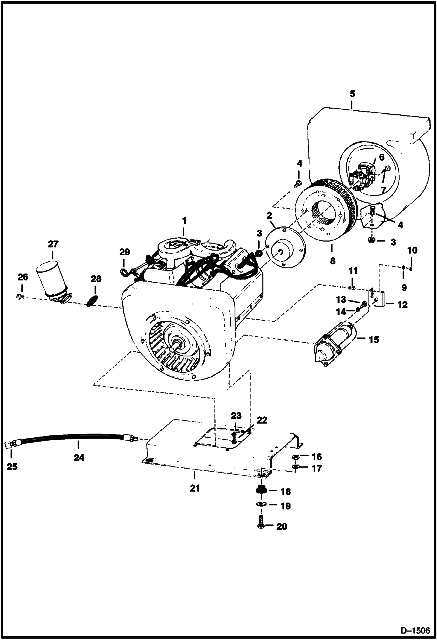
ENGINE & ATTACHING PARTS (S/N 15001 & Above)
№
Артикул
Название
Примечание
Количество
1
ENGINE See Illustration ENGINE/ B20681 WISCONSIN
2
6560623
YOKE
3
6512897
NUT
4
84G3712
BOLT 5 Was 6554437 - A
5
HOUSING NLA - Was 6560626 - A
6
U-JOINT See Illustration UNIVERSAL JOINT/ B20678
7
94G516
BOLT 5
8
FAN NLA - Was 6558638 - A
9
4E5
WASHER
10
61D5
11
6516346
STUD
12
6513187
BRACKET
13
6513186
BOLT
14
4E6
15
6513373
STARTER See Illustration STARTER/ B11257 See Illustration STARTER/ B20675
16
61D8
NUT 5
17
6515817
18
6560633
DAMPENER
19
6557929
20
17C836
21
6560707
PLATE
22
17C820
23
6701097
WASHER Was 6803867 - A
24
HOSE NLA - Was 6560929 - A
25
36K6
CAP
26
17C516
27
OIL FILTER See Illustration ENGINE OIL FILTER/ B5601
28
6516514
GASKET
29
DIPSTICK See Illustration CRANKCASE & GEAR COVER/ C2298 oil
Выбрано товаров: 0