Качественные детали и логистика
Оригинальные и аналоговые запчасти с доставкой по России, Казахстану и Беларуси
©2022 PartSell ООО "Система" ИНН 2463123282 ОГРН 1212400004838
Центральный офис: г. Красноярск, Академика Киренского, д.87, пом.4
Телефон: 8 (800) 777-65-74 Email: zakaz@partsell.ru
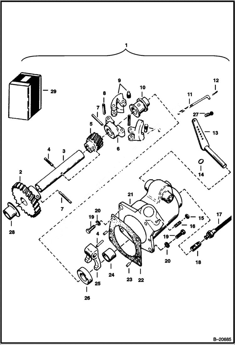
GOVERNOR CONTROL ASSEMBLY
№
Артикул
Название
Примечание
Количество
1
6513165
GOVERNOR
2
6513396
GEAR
3
SHAFT NSS
4
1306397
PIN ROLL
5
6516570
SHAFT ASSY. Was 6516566 - A
6
HUB NSS
7
646102
PIN
8
659648
PIN Was 654724B - A
9
FLYWEIGHT NSS - assy.
10
SLEEVE NSS - thrust
11
6513191
ROD 6'' (152,4 mm) long x .12'' (3,048 mm) diameter
6513689
ROD 7.5'' (190,5 mm) long x .12'' (3,048 mm) diameter
12
6516613
13
6513402
LEVER
6513691
14
O-RING NLA - Was 6513407 - A
15
62D5
NUT
16
STUD NLA - Was 6510870 - A
17
6513394
TUBE
18
6515221
ADAPTER
19
17C516
BOLT
20
4E5
WASHER
21
HOUSING NSS
22
6516617
GASKET
23
6513408
24
6513401
BUSHING
25
YOKE NSS
26
6513420
BEARING
27
6631697
CLIP
28
6513173
29
6513395
DRIVE SHAFT assy. - Ref. 2 - 10 & 26
Выбрано товаров: 0