Запчасти Bobcat 600s MAIN FRAME MAIN FRAME

Схема запчастей Bobcat 600s - MAIN FRAME MAIN FRAME
FIT
1:1
100%

Артикул

Название

Примечание

Количество

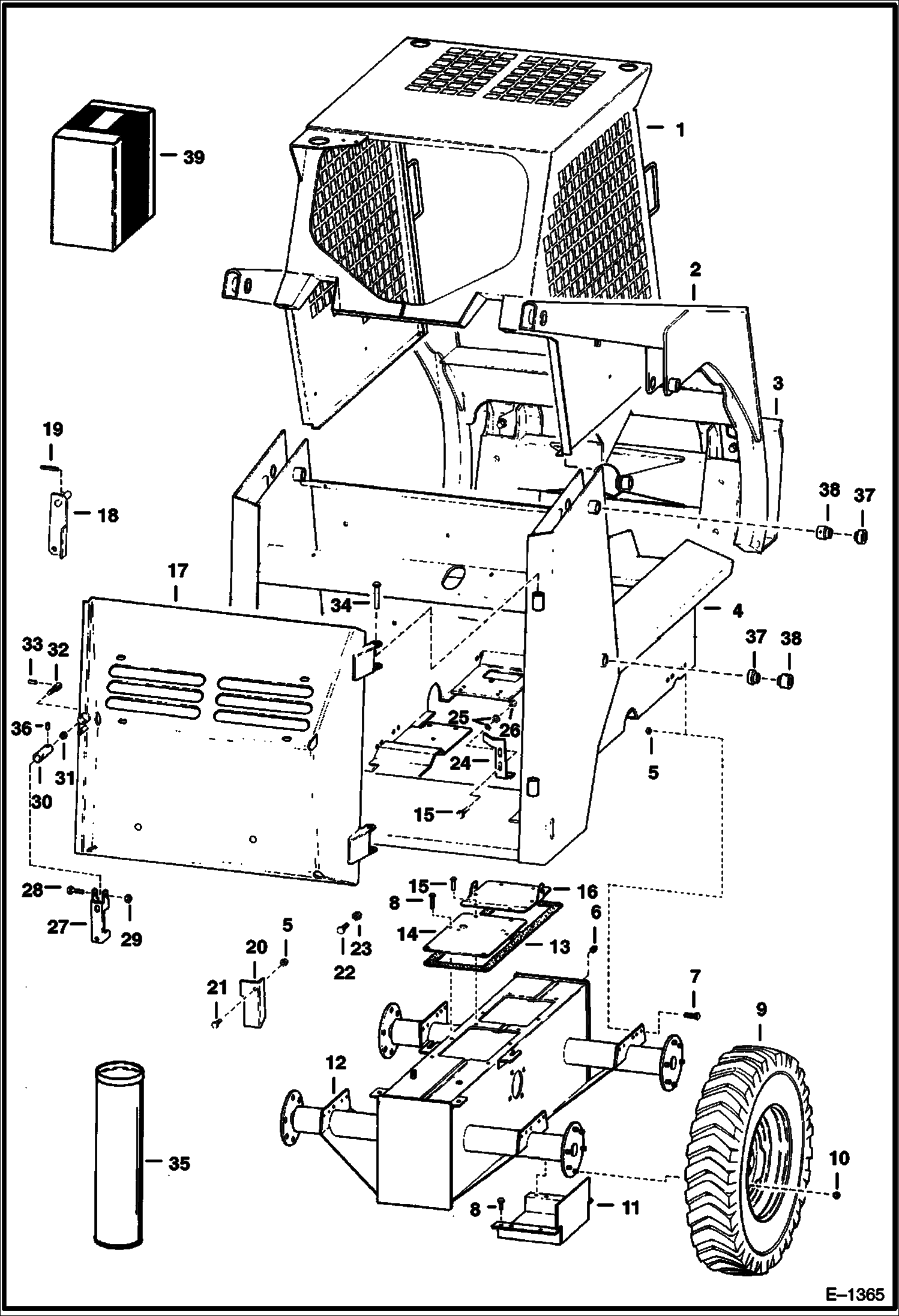
1

CAB See Illustration OPERATOR CAB/ B20658 See Illustration OPERATOR CAB/ C2771

2

LIFT ARMS See Illustration LIFT ARMS & BOB-TACH/ D1380

3

BOB-TACH See Illustration BOB-TACH/ B20657 See Illustration BOB-TACH/ PE1527 See Illustration BOB-TACH/ B20656

4

MAIN FRAME See BTI163 See BTI189 NLA

4

MAIN FRAME NLA - Order Ref. 11 - Was 6565482 - A

5

83D8

NUT 5

6

40K12

PLUG

7

31C820

BOLT

8

84G3712

BOLT 5

9

TIRE & RIM See Illustration WHEELS & TIRES/ B20721

10

6557188

NUT wheel - 1/2''

10

6564669

NUT, 10 wheel - 9/16''

11

6703916

COVER Was 6564918 - A

12

CHAINCASE See BTI161 NLA

12

CHAINCASE See BTI161 NLA - Order (1) 6563032 & (2) 6560775

13

6703117

GASKET, TRANSMISSION Was 6553833 - A

14

6557144

PLATE

15

84G3716

SCREW 5

16

6554093

PLATE

17

REAR DOOR See BTI166 See BTI191 NLA

17

6565073

DOOR hinged

18

6553429

HANDLE

19

14J3740

PIN

20

DOOR STOP NLA - Was 6558283 - A

21

17C816

BOLT

22

10C512

BOLT Was 6553808 - A

23

85D5

NUT 5

24

6558698

DOOR STOP

25

755589

WASHER

26

85D6

NUT, 5

27

6563681

HANDLE

28

38C624

BOLT 5 Was 6564599 - A

29

85D5

NUT 5

30

NUT NLA - 1/2'' - Order Ref. 30-33 & 36

30

NUT NLA - 5/8''- Coarse - Order Ref. 30-32

30

6565628

NUT 5/8''- Fine Thread

31

61D8

NUT 5 1/2''

31

6563624

NUT 5/8'' - Coarse Thread

31

6565627

NUT 5/8'' - Fine Thread

32

SCREW NLA - 1/2'' - Order Ref. 30-33 & 36

32

SCREW NLA - 5/8'' - Coarse - Order Ref. 30-32

32

6565629

SCREW 5/8'' - Fine Thread

33

6599361

PIN

34

6564340

PIN

35

6632501

SEALANT transmission cover

36

33G404

SET SCRW5

37

6555987

BUSHING weld on

38

6555989

BUSHING Weld On

39

6579448

LATCH KIT Ref. 27 - 33 & 36

Выбрано товаров: 49