Запчасти Bobcat 600s SINGLE POINT LIFT ACCESSORIES & OPTIONS

Схема запчастей Bobcat 600s - SINGLE POINT LIFT ACCESSORIES & OPTIONS
FIT
1:1
100%

Артикул

Название

Примечание

Количество

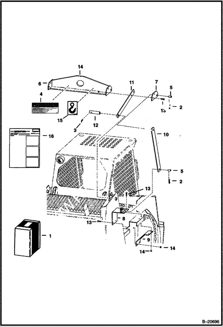
1

6568041

KIT Ref. 2-16

2

1320075

PIN, COTTER

3

6005562

PIN

4

6565932

DECAL

5

6567838

PIN

6

6568182

ANGLE

7

6568184

MOUNT

8

6568188

MOUNT

8

6568189

MOUNT

9

6568190

BRACE

10

6568191

ARM

11

6568192

ARM

12

6568193

PIN

13

17C824

BOLT 5

14

85D8

NUT, 5

15

6533898

DECAL hook

16

6566946

INSTRUCT

Выбрано товаров: 17