Запчасти Bobcat 600s ALTERNATOR (Open) ELECTRICAL SYSTEM

Схема запчастей Bobcat 600s - ALTERNATOR (Open) ELECTRICAL SYSTEM
FIT
1:1
100%

Артикул

Название

Примечание

Количество

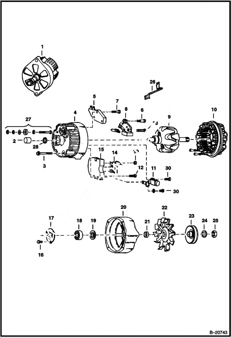
1

ALTERNATOR NLA - DELCO 1102920 - ORDER 908221REM

1

ALTERNATOR NLA - DELCO 1103133 - ORDER 908221REM

2

BEARING NLA - Delco 1102910 Alternator - Was 999306B - A

2

BEARING NLA - Delco 1103133 Alternator - Was 905351B - A

3

BOLT NLA - Was 897467B - A

4

FRAME NLA - Delco 1102920 - W/Ref. 2 - Was 999393B - A

4

FRAME NLA - Delco 1103133 - W/Ref. 2 - Was 905956B - A

5

REGULATOR NLA - voltage - Was 994381B - A

6

6511957

BOLT

7

BOLT NLA - Was 999396B - A

8

HOLDER NLA - brush assembly - Was 999394B - A

9

ROTOR NLA - Was 999305B - A

10

2343911

STATOR Was 999392B - A

11

CAPACITOR NLA - Was 999308B - A

12

994373

BOLT

13

BOLT NLA - Was 999397B - A

14

DIODE Was 994383B - A

15

RECTIFIER NLA - Was 995185B - A

16

45G1008

BOLT

17

RETAINER NLA - Was 897456B - A

18

991599

BEARING Delco 1102920 Alternator

18

784950

BEARING Delco 1103133 Alternator - Was 905350B - A

19

SLINGER NLA - Delco 1102920 Alternator

20

HOUSING NLA

21

COLLAR NLA - Delco 1102920 Alternator - Was 897459B - A

21

909831

COLLAR Delco 1103133 Alternator - Was 905958B - A

22

329884

FAN

23

6558136

PULLEY

24

NLA - Was 794584B - A

25

NUT NLA - Was 859369 - A

26

TERMINAL NLA - relay - Was 999395B - A

27

TERMINAL PKG. NSS - 1102920 Alternator - Was 994372B - A

27

TERMINAL PKG. NLA - 1103133 Alternator - Was 905952B - A

28

SEAL NLA - Delco 1102920 Alternator - Was 991198B - A

29

12D8

NUT

30

BOLT NLA - Was 991219B - A

Выбрано товаров: 36