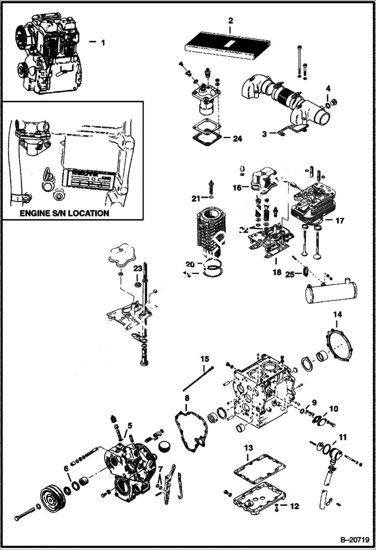
Запчасти Bobcat 600s ENGINE & GASKET KITS (Deutz 411) POWER UNIT

Схема запчастей Bobcat 600s - ENGINE & GASKET KITS (Deutz 411) POWER UNIT
FIT
1:1
100%

Артикул

Название

Примечание

Количество

1

ENGINE NLA - Deutz 411 - Complete Engine Not Available - Order replacement parts as required

2

6512685

GASKET KIT Overhaul - Also Order (1) 6516000 Crankshaft Seal

3

6512621

GASKET See Illustration MANIFOLDS/ B20748

4

6515946

WASHER See Illustration MANIFOLDS/ B20748

5

6515986

O-RING See Illustration FRONT COVER/ B20749

6

6511607

SEAL See Illustration FRONT COVER/ B20749 SHAFT

7

6516185

O-RING See Illustration THROTTLE ARM & GOVERNOR/ PI1659

8

6515954

GASKET See Illustration CYLINDER BLOCK/ C2241

9

6516118

O-RING See Illustration CYLINDER BLOCK/ C2241 SEAL

10

GASKET See Illustration CYLINDER BLOCK/ C2241 NSS

11

6512622

O-RING See Illustration CYLINDER BLOCK/ C2241

12

6515937

WASHER See Illustration CYLINDER BLOCK/ C2241

13

GASKET See Illustration CYLINDER BLOCK/ C2241 NLA - Was 6511834 - A

14

6513846

GASKET See Illustration CYLINDER BLOCK/ C2241

15

6515986

O-RING See Illustration CYLINDER BLOCK/ C2241

16

6511128

GASKET See Illustration CYLINDER BLOCK & HEADS/ PI1756

17

6511351

GASKET See Illustration CYLINDER BLOCK & HEADS/ PI1756 HEAD

18

6511837

GASKET See Illustration CYLINDER BLOCK & HEADS/ PI1756

19

6511937

SHIM See Illustration CYLINDER BLOCK & HEADS/ PI1756

20

WASHER See Illustration CYLINDER BLOCK & HEADS/ PI1756 NLA - Was 6511836 - A

21

6515946

WASHER See Illustration CYLINDER BLOCK & HEADS/ PI1756

22

6632540

O-RING See Illustration CYLINDER BLOCK & HEADS/ PI1756

23

6516059

O-RING See Illustration CAMSHAFT & VALVE LIFTER/ PI1760

24

GASKET See Illustration FUEL SYSTEM/ B20760 NLA - Was 6511355 - A

25

4110763

GASKET See Illustration ENGINE & ATTACHING PARTS/ B20746

Выбрано товаров: 25