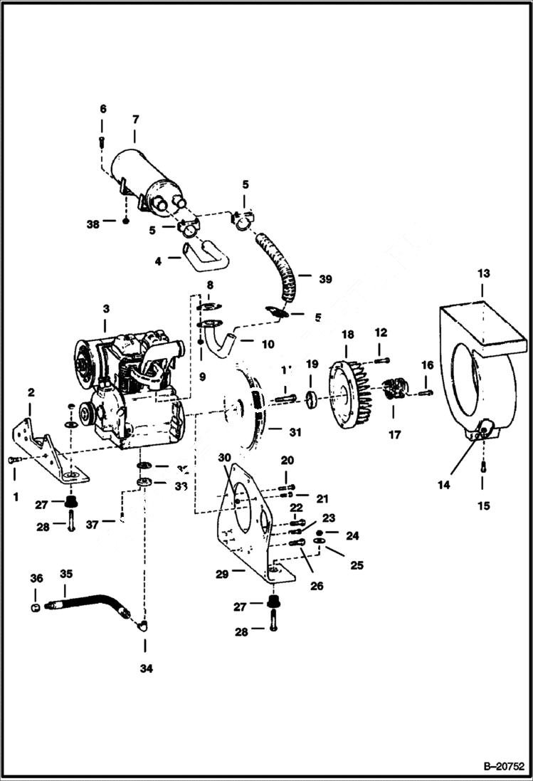
Запчасти Bobcat 600s ENGINE & ATTACHING PARTS (Deutz 511 - S/N 14001 & Above) POWER UNIT

Схема запчастей Bobcat 600s - ENGINE & ATTACHING PARTS (Deutz 511 - S/N 14001 & Above) POWER UNIT
FIT
1:1
100%

Артикул

Название

Примечание

Количество

1

1CM1440

BOLT Was 4CM1440 - A

2

6565011

MOUNT motor

3

ENGINE See Illustration ENGINE & GASKET KITS/ B20756

4

6559754

PIPE

5

6677363

CLAMP, FULL CIRCLE Was 657904B - A

6

17C512

BOLT 5

7

6559753

MUFFLER spark arrestor

8

6561143

GASKET

9

1DM10

NUT

10

PIPE NLA - Was 6559749 - A

11

6632175

BOLT

12

17C520

BOLT 5

13

6558319

HOUSING

14

83D6

NUT 5

15

35C612

BOLT

16

94G516

BOLT 5

17

U-JOINT See Illustration UNIVERSAL JOINT/ B20755

18

6562973

WHEEL blower

19

6558410

PLUG

20

17C728

BOLT

21

4CM1055

BOLT

22

1CM1030

BOLT Was 4CM1030 - A

23

24CM1238

BOLT

24

85D10

NUT, 5

25

6514557

WASHER

26

1CM1235

BOLT Was 4CM1235 - A

27

6513606

MOUNT rubber - Was 6514897 - A

28

17C1048

BOLT

29

6561700

MOUNT motor

30

61D7

NUT

31

6565235

FLYWHEEL W/Ring Gear

31

6565452

RING GEAR

32

6550746

GASKET

33

6550745

FLANGE

34

83F6

ELBOW

35

6553244

HOSE

36

36K6

CAP

37

1CM620

BOLT Was 4CM620 - A

38

83D5

NUT 5

39

PIPE NLA - Was 6559752 - A

Выбрано товаров: 40