Запчасти Bobcat 600s CYLINDER & HEADS (Deutz 511) POWER UNIT

Схема запчастей Bobcat 600s - CYLINDER & HEADS (Deutz 511) POWER UNIT
FIT
1:1
100%

Артикул

Название

Примечание

Количество

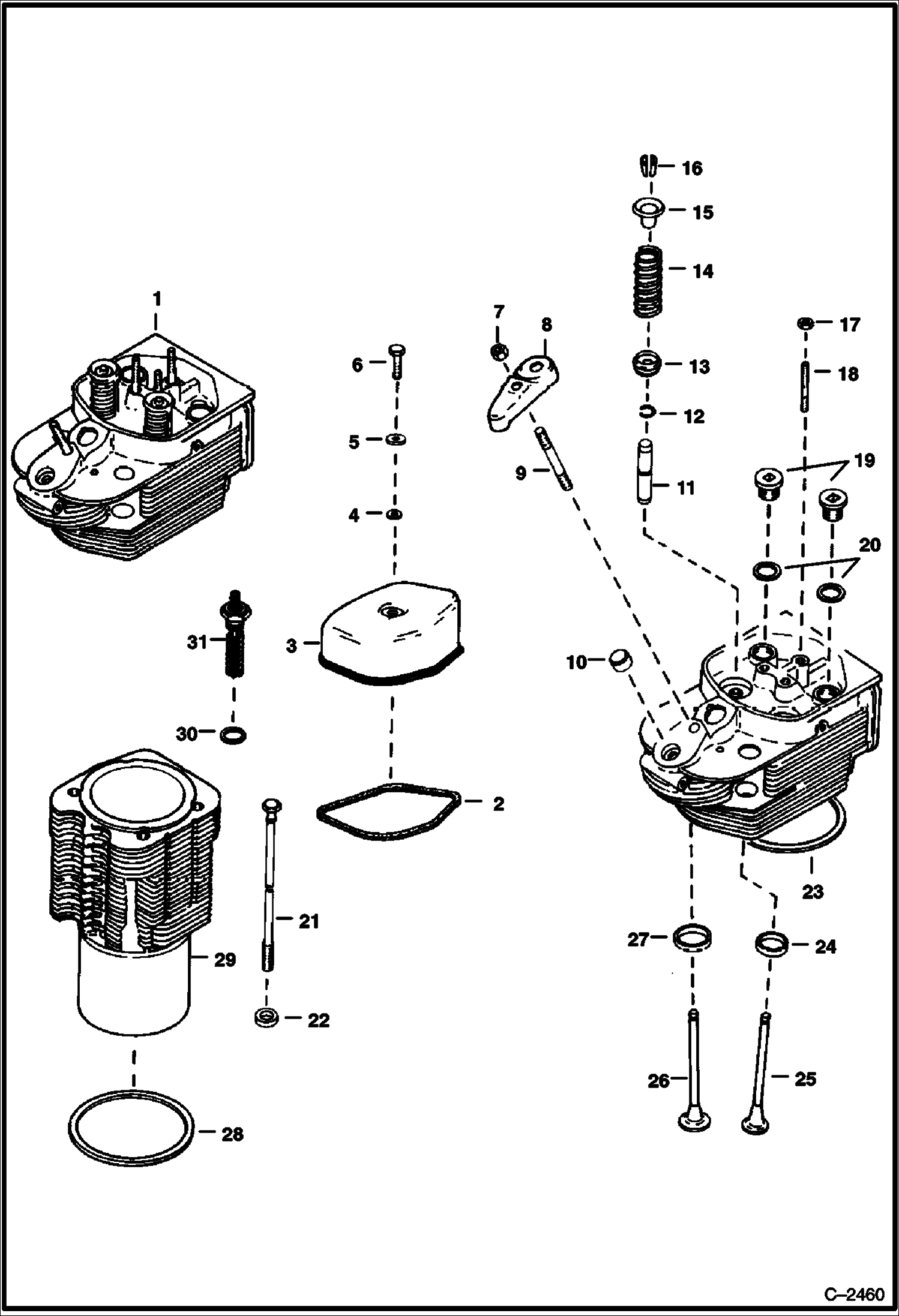
1

6513812

HEAD complete

2

3725137

GASKET

3

6513866

COVER

4

6513865

WASHER

5

1EM80

WASHER

6

1CM830

BOLT Was 4CM830 - A

7

1DM10

NUT

8

6513821

YOKE

9

6513883

STUD

10

6511616

WASHER

11

6513824

GUIDE 0.5906'' (15mm)

11

6513825

VALVE GUIDE 0.6004'' (15,3mm)

11

6513826

VALVE GUIDE 0.6102''(15,5mm)

12

6516052

O-RING

13

6513945

WASHER for 2 groove valve

13

6667883

WASHER for 3 groove valve

14

6513815

SPRING

15

6513882

CAP

16

6516051

RETAINER valve - for 2 groove valve

16

6666443

COLLAR valve - for 3 groove valve

17

1DM8

NUT

18

6513816

STUD

19

6513819

PLUG

20

6513820

WASHER

21

6513817

BOLT

22

6513818

WASHER

23

6513946

SHIM head

24

6513823

SEAT exhaust - 1.7976'' (45,7mm)

24

6513886

SEAT exhaust - 1.8016'' (45,8mm)

24

6513887

SEAT exhaust - .8055'' (20,3mm)

24

6513888

SEAT exhaust - 1.8094'' (45,95mm)

25

VALVE NLA - exhaust - 2 groove valve - Order 6667884 , 6667883 washer & 6666443 retainer - Was 6513813 - A

25

6667884

VALVE exhaust - 3 groove valve

26

VALVE NLA - intake - order 6672554 , 6667883 washer, & 6666443 collet - Was 6513814 - A

26

6672554

VALVE intake

27

6513822

SEAT intake - 1.5811'' (40,2mm)

27

6513827

SEAT intake - 1.5850'' (40,3mm)

27

6513884

SEAT intake - 1.5890'' (40,4mm)

27

6513885

SEAT intake - 1.5929'' (40,5mm)

28

6513844

SHIM

29

CYLINDER NLA - Order 6679029 kit - includes cylinder, piston, rings, pin & snap ring - Was 6513843 - A

30

2FM22270

WASHER

31

6511720

PRE-HEATER

Выбрано товаров: 43