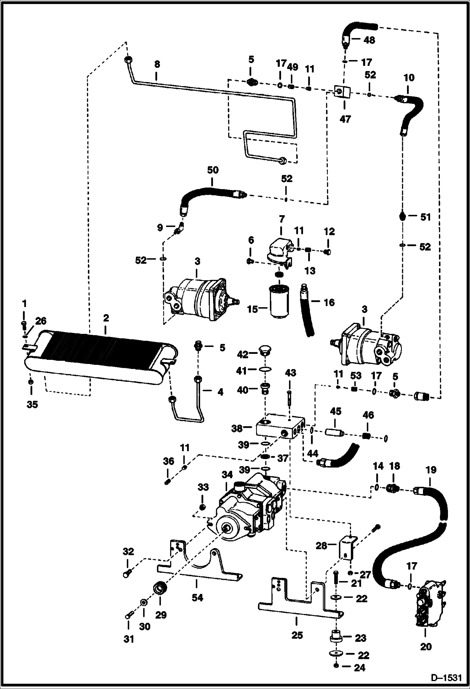
Запчасти Bobcat 600s HYDROSTATIC CIRCUITRY (S/N 15320 & Above) HYDROSTATIC SYSTEM

Схема запчастей Bobcat 600s - HYDROSTATIC CIRCUITRY (S/N 15320 & Above) HYDROSTATIC SYSTEM
FIT
1:1
100%

Артикул

Название

Примечание

Количество

1

84G3716

SCREW 5

2

6560954

OIL COOLER

3

MOTOR See Illustration HYDROSTATIC MOTOR/ B20768 See Illustration HYDROSTATIC MOTOR/ B20769 See Illustration HYDROSTATIC MOTOR/ C2013 See Illustration HYDROSTATIC MOTOR/ D1650 See Illustration HYDROST

4

6557467

TUBE

5

15K7

FITTING W/Ref. 17

6

84G3712

BOLT 5

7

FILTER HEAD See BTI185 NLA - Order 6564877 head and 6661248 filter - Was 6563339 - A

8

TUBE NLA - Was 6559003 - A

9

18K5

ELBOW W/Ref. 52

10

HOSE NLA - W/Ref. 52 - Was 6560936 - A

11

6515078

POPPET

12

6561811

PLUG W/Ref. 17

13

6553897

SPRING

14

79K8

O RING 10

15

6515541

ELEMENT hydraulic filter

16

6560213

HOSE

17

79K10

O RING 10

18

15K6

ADAPTER W/Ref. 14

19

6557465

HOSE

20

6557603

VALVE See Illustration HYDRAULIC VALVE/ B20667 HYDRAULIC

21

17C820

BOLT

22

WASHER NLA - Was 784145B - A

23

6560633

DAMPENER rubber

24

81D8

NUT

25

6569553

BRACKET mounting

26

774220

NUT

27

61D6

NUT 5

28

6557724

BRACKET

29

6540655

ADAPTER

30

WASHER See Illustration UNIVERSAL JOINT/ B20789

31

BOLT See Illustration UNIVERSAL JOINT/ B20789

32

17C824

BOLT 5

33

6512896

NUT

34

PUMP See Illustration HYDROSTATIC PUMP/ B20763 See BTI154 HYDROSTATIC

35

6512894

NUT

36

6560082

SPRING

37

6557802

WASHER

38

BLOCK NLA - Was 6558359 - A

39

79K16

O RING 10

40

6560137

RETAINER

41

79K24

O RING 10

42

6553899

PLUG

43

17C640

BOLT 5

44

GASKET NSS

45

6558357

FILTER See BTI186 W/Ref. 44

46

617904

SPRING

47

BLOCK NLA - Was 6558769 - A

48

6558857

HOSE

49

SPRING NLA - Was 6559895 - A

50

6560935

HOSE W/O-Ring

51

15K5

FITTING W/Ref. 52

52

79K6

O RING 10

53

6559896

SPRING

54

6557463

MOUNT

Выбрано товаров: 54