Качественные детали и логистика
Оригинальные и аналоговые запчасти с доставкой по России, Казахстану и Беларуси
©2022 PartSell ООО "Система" ИНН 2463123282 ОГРН 1212400004838
Центральный офис: г. Красноярск, Академика Киренского, д.87, пом.4
Телефон: 8 (800) 777-65-74 Email: zakaz@partsell.ru
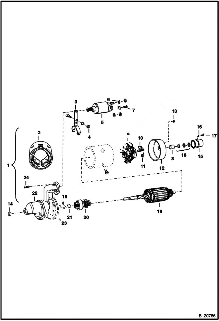
STARTER (Bosch 0-001-211-228)
№
Артикул
Название
Примечание
Количество
1
STARTER NLA - Ref. 2 - 24 - Was 6514006 - A
6665502REM
STARTER
2
6513289
COIL
3
6513298
LEVER
4
1DM6
NUT
5
6513296
SOLENOID
6
4E5
WASHER
7
6517902
8
BUSHING NLA - Was 4148008B - A
9
6598070
PLATE brush
10
6513301
BRUSHES See General Service Bulletin G-006
11
6514885
SPRING
12
6513299
COVER W/Ref. 8
13
6513303
14
6513291
BUSHING
15
6513302
COVER
16
6514878
RING
17
6517905
SCREW
18
6598071
KIT armature hardware
19
ARMATURE NLA - Was 6598069 - A
20
6514877
DRIVE
21
6513294
22
6513290
HOUSING
23
6514891
SEAL
24
6664478
Выбрано товаров: 0