Запчасти Bobcat 600s CYLINDER BLOCK POWER UNIT

Схема запчастей Bobcat 600s - CYLINDER BLOCK POWER UNIT
FIT
1:1
100%

Артикул

Название

Примечание

Количество

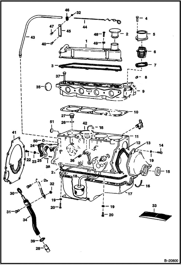
1

COVER NLA - rocker arm - Was 6512476 - A

2

6512494

CAP oil filler

3

6512477

GASKET rocker arm cover

4

35C516

BOLT 10 Was 6554744 - A

5

6598095

OUTLET

6

6512504

THERMOSTAT 195 degrees

7

6512505

GASKET

8

40K2

PLUG

9

HEAD NLA - cyl. - W/Guides & Soft Plugs Only - Was 6512400 - A

9

HEAD NLA - For use with Stellite Valves - Order 6630426 Head & (8) 6512474 Seal

9

HEAD NLA - W/Guides & Soft Plugs Only - For use with Stellite Valves & Seals with Springs - Was 6630426 - A

9

6512400REM

HEAD, FORD FL98

10

6512401

GASKET cylinder head

11

SHORT BLOCK See Illustration ENGINE/ B20788

12

6512399

GASKET front cover

13

6512398

COVER front

14

17C412

BOLT 5

15

6648209

SEAL front cover - Was 6512489 - B

16

SEAL NSS

17

OIL PAN NLA - Was 6512488 - A

18

TUBE NLA - oil pickup - Was 6512482 - A

19

4E4

WASHER

20

17C408

BOLT

21

6669570

GASKET SET oil pan - W/Ref. 16 - Was NLA - A

22

17C514

BOLT

23

4E5

WASHER

24

RETAINER NLA - Was 6512450 - A

25

GASKET NLA - rear oil seal - Was 6512451 - A

26

25K20026

O RING 10

27

6554834

PLUG

28

TUBE oil level - Order Ref. 32, 40, 43-47

29

6555112

BRACKET

30

INDICATOR oil level - Order Ref. 32, 40, 43-47

31

17C508

BOLT

32

61D5

NUT

33

6567250

GASKET KIT overhaul

33

GASKET KIT NLA - Valve Grind - Was 6564162 - A

34

HOSE extension - Order Ref. 32, 40, 43-47

35

PLUG NLA - Was 6512915 - A

36

16F2

PLUG Was 6512916 - A

37

BOLT NLA - head - Pkg. of 8 - Was 6512918 - A

37

BOLT NLA - head - Pkg. of 2 - Was 6512919 - A

38

6512921

DOWEL Cyl. Block to Flywheel Housing

39

42H6

HOSECLAM5

40

35C512

BOLT Was 31C000512B - A

41

PLATE NLA - Was 6512521 - A

42

6669569

LINER Std. - Was 6657209 - A

42

LINER NLA - .020 Oversizes OD & Std. ID - Was 6598907 - A

43

6564911

TUBE dipstick

44

6564910

DIPSTICK

45

6564912

BRACKET

46

30H22

CLIP

47

17C510

BOLT

48

89G410

SCREW

49

25E13

WASHER 5

50

PLUG NLA - Was 6648189 - A

51

6598806

PLUG camshaft

Выбрано товаров: 57