Качественные детали и логистика
Оригинальные и аналоговые запчасти с доставкой по России, Казахстану и Беларуси
©2022 PartSell ООО "Система" ИНН 2463123282 ОГРН 1212400004838
Центральный офис: г. Красноярск, Академика Киренского, д.87, пом.4
Телефон: 8 (800) 777-65-74 Email: zakaz@partsell.ru
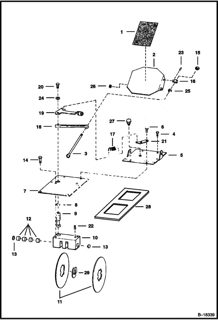
DISC BRAKES
№
Артикул
Название
Примечание
Количество
1
6553976
SAFETY TREAD 127 x 203 mm (5 x 8'')
2
6563187
PEDAL
3
6567179
ROD
4
84G3712
BOLT 5
5
PLATE NLA - ORDER 1- 6575654 COVER & Ref. 27 - WAS 6554093 - A
6575654
COVER
6
84G3716
SCREW 5
7
6557144
PLATE
8
25K30100
O RING 10
9
6562755
PIN
10
6562757
BLOCK
11
6559206
DISC, BRAKE
12
6557747
PAD
13
6562756
WASHER wear
14
17C812
BOLT
15
85D8
NUT, 5
16
6563178
PIVOT
17
6584584
SPRING Was 6505076 - A
18
6563823
LEVER
19
6577552
BRACKET Was 6563173 - A
20
17C820
21
6559218
ANGLE
22
784466
DOWEL PIN
23
14J2516
24
6506477
WASHER
25
61D8
NUT 5
26
25E21
WASHER 5
27
6632601
BREATHER
28
6703117
GASKET, TRANSMISSION
29
6557937
Выбрано товаров: 0