Запчасти Bobcat 600s ENGINE ELECTRICAL SYSTEM (S/N 13001 & Above) ELECTRICAL SYSTEM

Схема запчастей Bobcat 600s - ENGINE ELECTRICAL SYSTEM (S/N 13001 & Above) ELECTRICAL SYSTEM
FIT
1:1
100%

Артикул

Название

Примечание

Количество

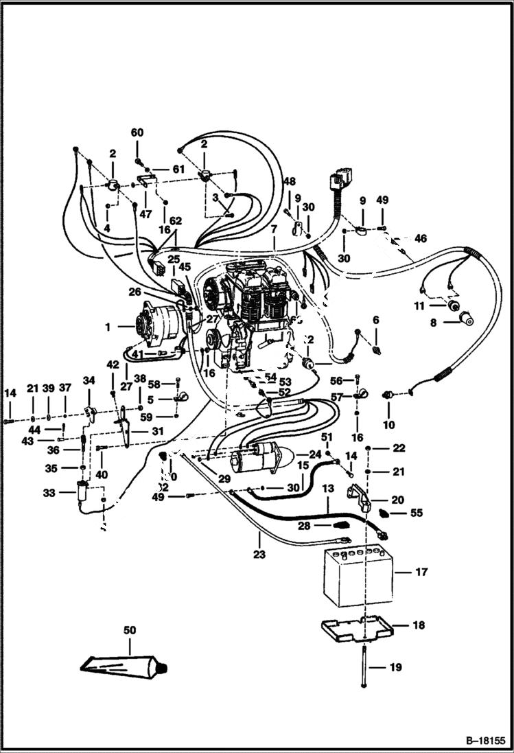
1

ALTERNATOR See Illustration ALTERNATOR/ B18156 See Illustration ALTERNATOR/ C1802

2

6659319

SOLENOID pre-heater - Was 6632186 - A

3

17C412

BOLT 5

4

61D4

NUT 5

5

30H41

CLIP

6

6511720

PRE-HEATER

7

6564908

HARNESS chassis

8

6563922

SNUBBER W/Filter

8

6563920

FILTER

9

30H42

CLAMP

10

6632633

SWITCH hyd temp - Was 6564560 - A

11

6671062

SWITCH hydro. pressure - Was 6664577 - A

12

6513890

SWITCH eng. pressure

13

6553094

CABLE ground - Was 6562905 - A

14

17C512

BOLT 5

15

6563025

CABLE

16

61D5

NUT

17

6665031

BATTERY Was 6568707 - A

17

6630153

BATTERY CAP battery

18

6561733

MOUNT battery mtg.

19

6569623

BOLT

20

6569203

CLAMP battery

21

25E15

WASHER

22

59D5

NUT 5

23

6562904

CABLE Positive

24

STARTER See Illustration STARTER/ C2119 See Illustration STARTER/ B18157

25

6565007

HARNESS engine

25

6567089

HARNESS engine

25

6571555

HARNESS For Melroe Alt.

26

6E4

WASHER 10

27

6565157

RESISTOR

28

2356058

BOOT

29

12D8

NUT

29

4DM5

NUT Metric

30

61D6

NUT 5

30

4DM10

NUT Metric

31

6561055

MOUNT

32

6560172

COVER

33

6599638

SOLENOID

34

6561078

LEVER

35

62D4

NUT

36

631551

YOKE

37

6559845

BUSHING

38

85D5

NUT 5

39

6512913

WASHER

40

1CM820

BOLT Was 4CM820 - A

41

17C508

BOLT

42

93G410

BOLT

43

4F4051

PIN

44

1F212

PIN

45

1DM6

NUT Use W/Delco Alternator - Was 4DM6 - A

46

6599701

CLAMP

47

6563483

BRACKET

48

17C624

BOLT 5

49

17C620

BOLT

50

6599360

SEALANT, ELEC .3 OZ electrical - tube - 3 oz

51

83D5

NUT 5

52

SWITCH See BTI259 NLA - eng. temp.

53

6658818

SENDER See BTI259 eng temp - threaded connector

54

2FM12155

WASHER sealing

55

6599652

BOOT

56

17C516

BOLT

57

30H30

CLAMP

58

31C620

BOLT

59

57D6

NUT 5

60

7C512

SCREW

61

6E5

WASHER

62

3675725

DIODE

63

SWITCH See Illustration HYDROSTATIC OIL FILTER/ C2818 HYDRO. FILTER

Выбрано товаров: 69