Запчасти Bobcat 600s MAIN FRAME MAIN FRAME

Схема запчастей Bobcat 600s - MAIN FRAME MAIN FRAME
FIT
1:1
100%

Артикул

Название

Примечание

Количество

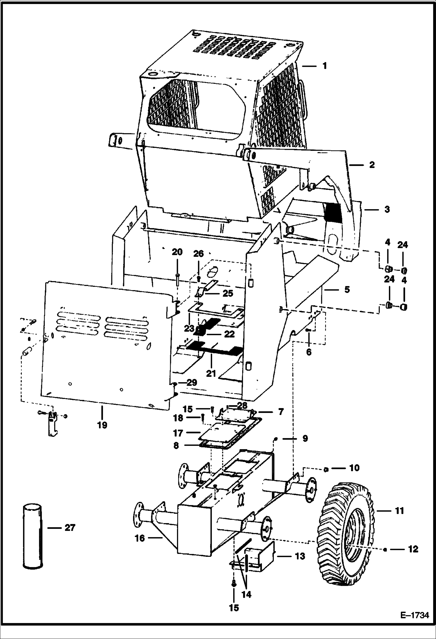
1

CAB See Illustration OPERATOR CAB/ E1737

2

LIFT ARMS See Illustration LIFT ARMS & BOBTACH/ B24203

3

BOB-TACH See Illustration BOB-TACH/ D1547 SALES

4

6555987

BUSHING weld on

5

6571701

MAIN FRAME Also Order Ref. 13, 22 & 25

6

31C820

BOLT

7

COVER See Illustration DISC BRAKES/ B18358

8

GASKET See Illustration DISC BRAKES/ B18358

9

40K12

PLUG

10

83D8

NUT 5

11

TIRES & RIMS See Illustration TIRES & RIMS/ B18200

12

6564669

NUT, 10 wheel

13

6564918

COVER

13

6703916

COVER

14

6511855

SEAL self adhesive - bulk - sold per foot

15

84G3716

SCREW 5

16

CHAINCASE See Illustration DRIVE TRAIN/ B18357

17

COVER See Illustration DISC BRAKES/ B18358

18

84G3712

BOLT 5

19

REAR DOOR See Illustration REAR DOOR/ C2983

20

6564340

PIN

21

6563638

SEAL rubber

22

6704286

SEAL rubber - Was 6564932 - A

23

6565092

RETAINER

24

6555989

BUSHING Weld On

25

6704282

RETAINER Was 6564933 - A

26

84G3710

SCREW

27

6632501

SEALANT chaincase covers

28

6632601

BREATHER

Выбрано товаров: 29