Качественные детали и логистика
Оригинальные и аналоговые запчасти с доставкой по России, Казахстану и Беларуси
©2022 PartSell ООО "Система" ИНН 2463123282 ОГРН 1212400004838
Центральный офис: г. Красноярск, Академика Киренского, д.87, пом.4
Телефон: 8 (800) 777-65-74 Email: zakaz@partsell.ru
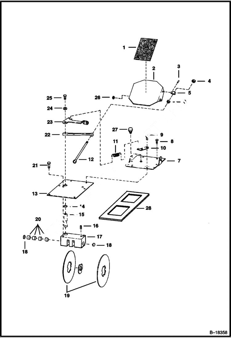
DISC BRAKES
№
Артикул
Название
Примечание
Количество
1
6553976
SAFETY TREAD 127 x 203 mm (5 x 8'')
2
6563187
PEDAL
3
14J2516
PIN
4
85D8
NUT, 5
5
6563178
PIVOT
6
61D6
NUT 5
7
PLATE NLA - Order 1-6575654 Cover & 1-6632601 Breather - Was 6554093 - A
6575654
COVER
8
84G3712
BOLT 5
9
84G3716
SCREW 5
10
6559218
ANGLE
11
6584584
SPRING Was 6505076 - A
12
6567179
ROD
13
6557144
PLATE
14
25K30100
O RING 10
15
6562755
16
784466
DOWEL PIN
17
6562757
BLOCK
18
6562756
WASHER Wear
19
6559206
DISC, BRAKE
20
6557747
PAD
21
17C812
BOLT
22
6563823
LEVER
23
6577552
BRACKET Was 6563173 - A
24
6506477
WASHER
25
17C820
26
25E21
WASHER 5
27
6632601
BREATHER
28
6703117
GASKET, TRANSMISSION
Выбрано товаров: 0