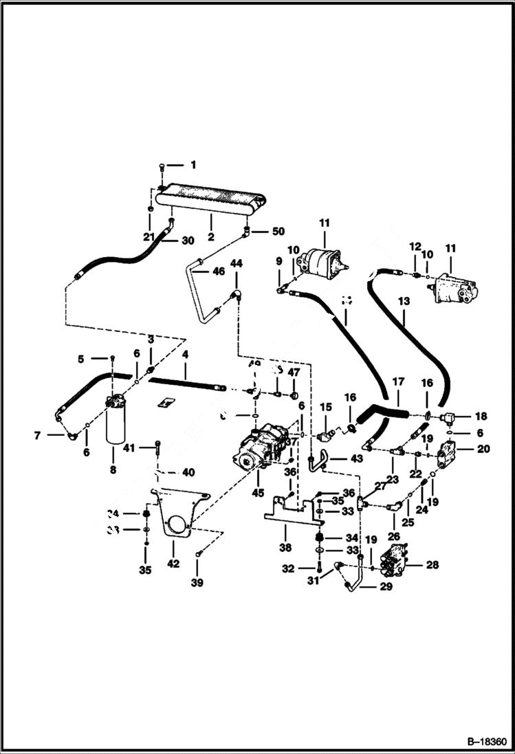
Запчасти Bobcat 600s HYDROSTATIC CIRCUITRY (S/N 31104 & Above) HYDROSTATIC SYSTEM

Схема запчастей Bobcat 600s - HYDROSTATIC CIRCUITRY (S/N 31104 & Above) HYDROSTATIC SYSTEM
FIT
1:1
100%

Артикул

Название

Примечание

Количество

1

37C616

BOLT Was 6514537 - A

2

OIL COOLER NLA - Was 6575655 - A

3

15KB1012

FITTING, HYD CONNECTOR W/Ref. 6 - Was 755055B - A

4

6571712

HOSE

5

35C610

BOLT 5

6

79K12

O RING 10

7

17K8

FITTING W/Ref. 6

8

FILTER ASSY. See Illustration HYDROSTATIC OIL FILTER/ C2818

8

6668819

FILTER, OIL HYD Was 6598903 - A

9

6558510

ELBOW W/Ref. 10

10

79K6

O RING 10

11

MOTOR See Illustration HYDROSTATIC MOTOR/ D1678

12

15K5

FITTING W/Ref. 14

13

1518597

HYD HOSE

14

6564714

HOSE

15

6577888

ELBOW

16

44H20

CLAMP

17

6565344

HOSE

18

1321499

FITTING Was 6567884 - A

19

79K10

O RING 10

20

6565748

BLOCK port

21

85D6

NUT, 5

22

731795

CONNECTR W/Ref. 19

23

13K5

TEE

24

6565425

SPRING

25

6515078

POPPET

26

6565701

ELBOW

27

14K7

TEE

28

VALVE See Illustration HYDRAULIC CONTROL VALVE/ B18342

29

6565337

TUBELINE

30

6701291

HOSE

31

6532179

ELBOW W/Ref. 19

32

17C836

BOLT

33

6564692

WASHER

34

6560633

DAMPENER rubber

35

85D8

NUT, 5

36

17C816

BOLT

37

83D8

NUT 5

38

6577493

BRACKET

39

17C824

BOLT 5

40

6560899

WASHER

41

35C840

BOLT

42

6562697

MOUNT

43

6565717

TUBE

44

77F7

ELBOW

45

PUMP See Illustration HYDROSTATIC PUMP/ B18343

46

6575682

TUBELINE

47

6671062

SWITCH hyd. pressure - Was 6664577 - A

48

6563922

SNUBBER W/Filter

48

6563920

FILTER

49

6565630

ELBOW

50

11K7

ADAPTER

Выбрано товаров: 52