Запчасти Bobcat 600s ENGINE & ATTACHING PARTS POWER UNIT

Схема запчастей Bobcat 600s - ENGINE & ATTACHING PARTS POWER UNIT
FIT
1:1
100%

Артикул

Название

Примечание

Количество

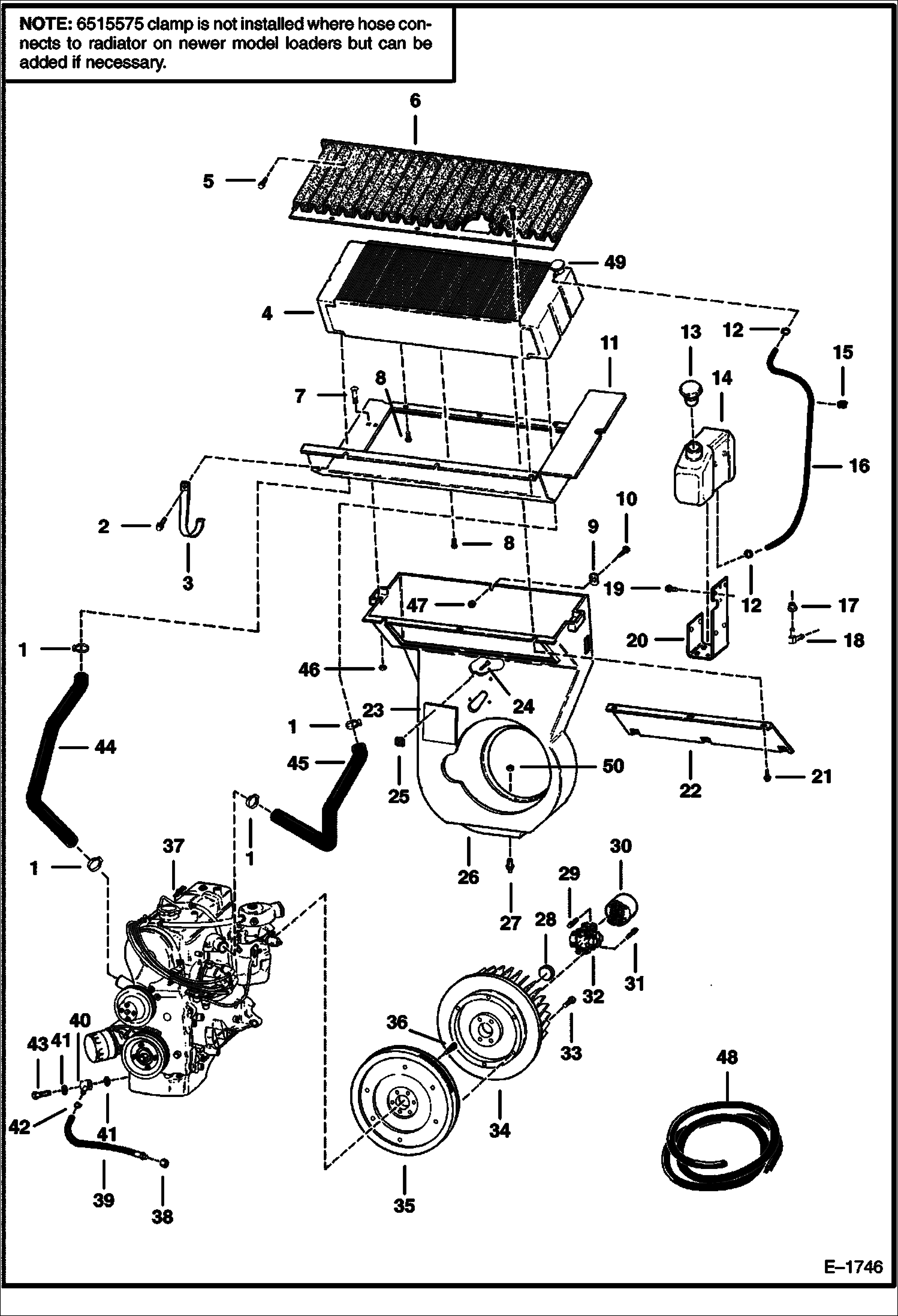
1

42H32

HS CLAMP5 Was 6518820 - D

2

35C610

BOLT 5

3

6562431

BRACKET

4

6571713

EXCHANGER, WATER RADIATOR

5

84G3712

BOLT 5

6

6567868

GRILL

7

6514571

BOLT

8

21C508

BOLT

9

774220

NUT spring

10

37C516

BOLT Was 6565089 - A

11

6578176

MOUNT Was 6562851 - A

12

42HS04

CLAMP, HOSE Was 6515575 - A

13

6702797

CAP Was 6558658 - A

14

TANK NLA - Without Barbed Fitting - Order 6576660 - Was 6562509 - A

14

6576660

TANK, WATER COOLANT W/bottom molded barbed elbow

15

6519484

GROMMET

16

HOSE NLA - 26'' (660,4 mm) - Order Ref. 48

17

6553411

BUSHING 0.38'' ID

18

6553412

ELBOW Not used with 6576660 tank

19

84G3716

SCREW 5

20

6709415

MOUNT Was 6571814 - A

21

6565418

SCREW wing - Was 35C000512B - B

22

6563590

COVER Was 6563520 - D

23

INSULATION Was 6564595 - A

24

6555293

NAIL

25

6555294

CLIP

26

6571706

HOUSING

26

6575683

HOUSING

27

RIVET NLA - Order 35C000620B and 59D000006B - Was 1316539 - A

27

35C620

BOLT 5

28

6558410

PLUG

29

94G512

BOLTS 5

30

YOKE See Illustration UNIVERSAL JOINT/ B18348

31

94G516

BOLT 5

32

JOINT See Illustration UNIVERSAL JOINT/ B18348 UNIVERSAL

33

17C528

BOLT

34

6565466

BLOWER

35

6571677

FLYWHEEL W/1-6632467 Ring Gear

35

6632467

RING GEAR

36

6632613

BOLT

37

ENGINE See Illustration ENGINE/ B18363 MITSUBISHI

38

36K7

FITTING

39

6575709

HOSE Was 6571905 - A

40

6632628

ELBOW

41

6632630

WASHER

42

42H8

HOSE CLAMP 5

43

6632629

BOLT

44

6571683

HOSE

45

6571682

HOSE

46

57D6

NUT 5

47

83D5

NUT 5

48

6577822

HOSE bulk - Sold Per Foot - Was 6562515 - A

49

6666606

RADIATOR CAP radiator - Was 6630156 - A

50

59D6

NUT

Выбрано товаров: 54