Запчасти Bobcat 600s MAIN FRAME MAIN FRAME

Схема запчастей Bobcat 600s - MAIN FRAME MAIN FRAME
FIT
1:1
100%

Артикул

Название

Примечание

Количество

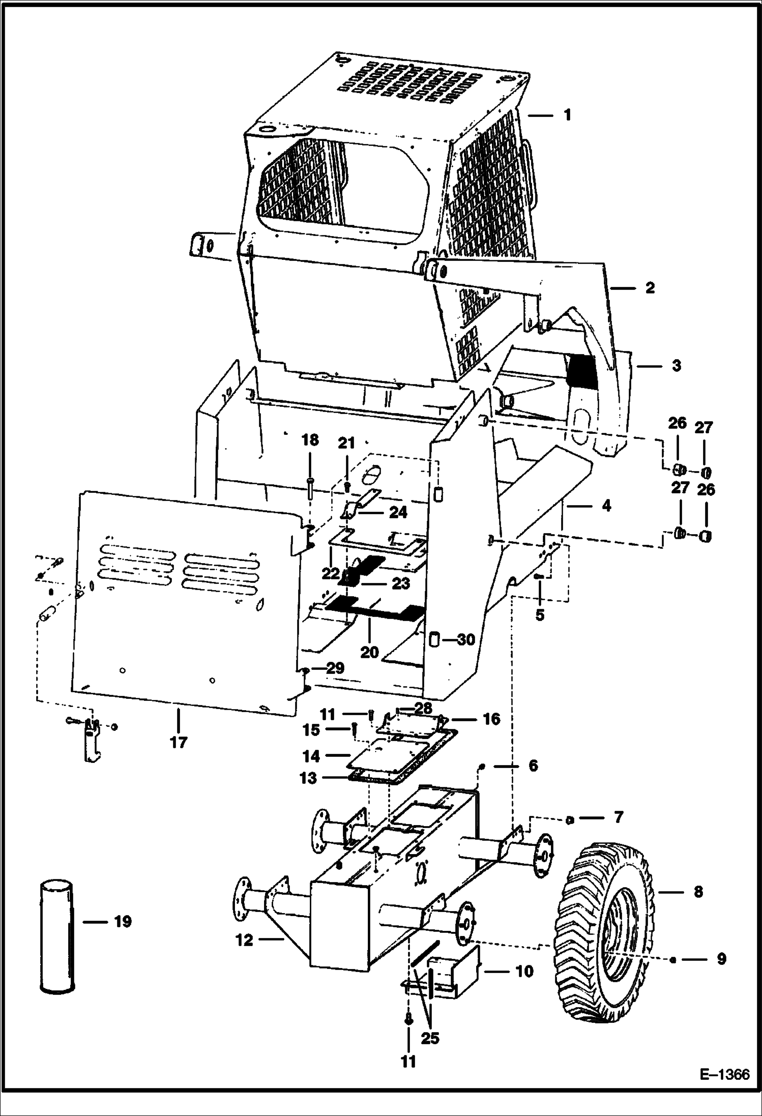
1

CAB See Illustration OPERATOR CAB/ E1432 See Illustration OPERATOR CAB/ E1618 See Illustration OPERATOR CAB/ B24189

2

LIFT ARMS See Illustration LIFT ARMS & BOBTACH/ B18338

3

BOB-TACH See Illustration BOB-TACH/ PE1527 See Illustration BOB-TACH/ D1547 SALES

4

FRAME NLA - Order 6571701 & Ref. 10

4

MAIN FRAME NLA - Order 6571701 & Ref. 10 - Was 6565482 - A

4

6571701

MAIN FRAME

5

31C820

BOLT

6

40K12

PLUG

7

83D8

NUT 5

8

TIRES & RIMS See Illustration TIRES & RIMS/ B18200

9

NUT See Illustration AXLE/ C2514 WHEEL

10

6564918

COVER Was 6703916 - B

11

84G3716

SCREW 5

12

CHAINCASE See Illustration DRIVE TRAIN/ D1693 See Illustration DRIVE TRAIN/ D1383

13

6703117

GASKET, TRANSMISSION Was 6553833 - A

14

6557144

PLATE

15

84G3712

BOLT 5

16

COVER See Illustration DISC BRAKES/ B18339

17

REAR DOOR See Illustration REAR DOOR/ D1567

18

6564340

PIN

19

6632501

SEALANT chaincase covers

20

6563638

SEAL rubber

21

84G3710

SCREW

22

6565092

RETAINER

23

6704286

SEAL rubber - Was 6564932 - A

24

6704282

RETAINER Was 6564933 - A

25

6511855

SEAL self adhesive - bulk - sold per foot

26

6555989

BUSHING Weld On

27

6555987

BUSHING weld on

28

6632601

BREATHER

29

6562225

HINGE weld on

30

6562224

BUSHING weld on

Выбрано товаров: 32