Качественные детали и логистика
Оригинальные и аналоговые запчасти с доставкой по России, Казахстану и Беларуси
©2022 PartSell ООО "Система" ИНН 2463123282 ОГРН 1212400004838
Центральный офис: г. Красноярск, Академика Киренского, д.87, пом.4
Телефон: 8 (800) 777-65-74 Email: zakaz@partsell.ru
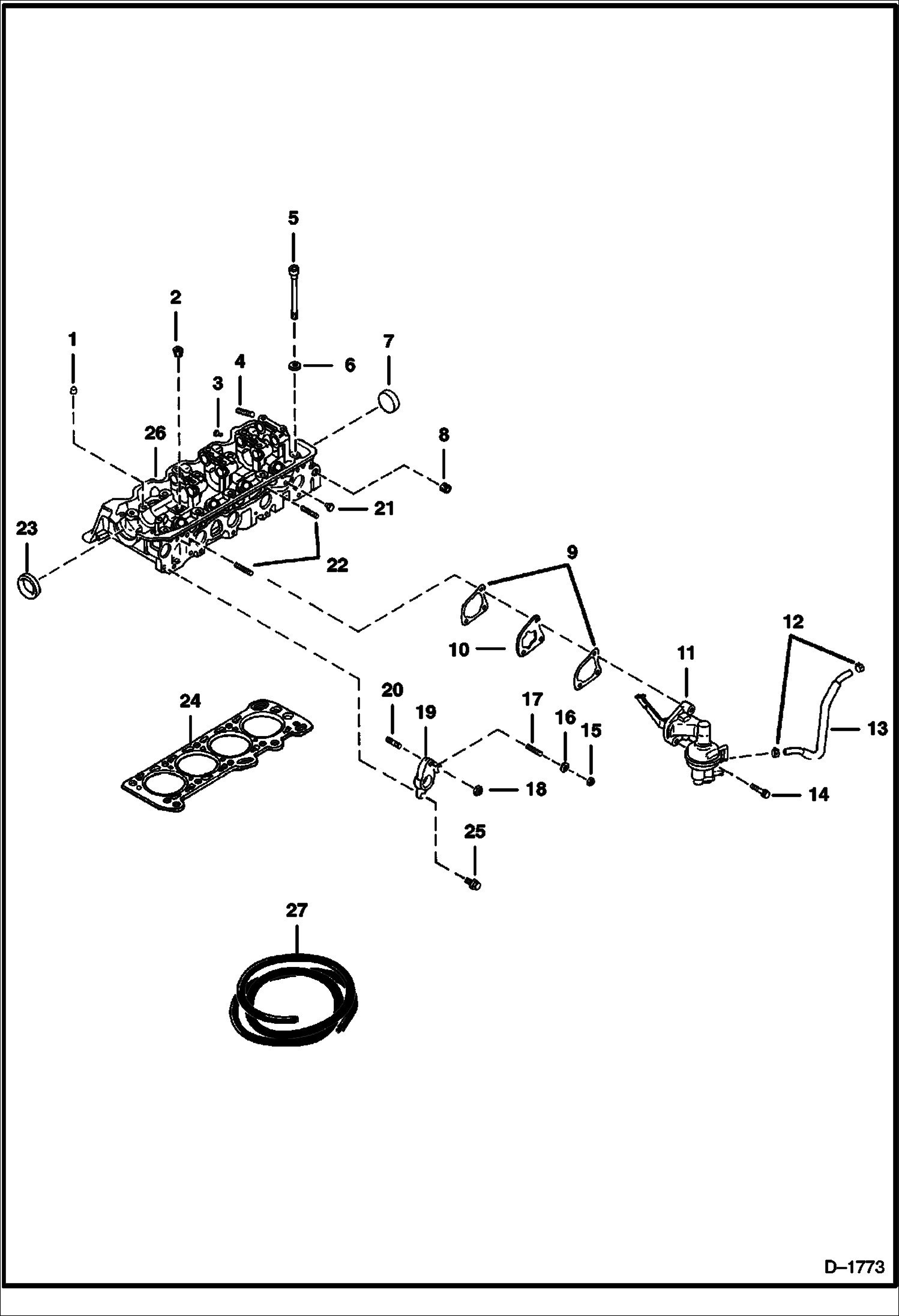
CYLINDER HEAD
№
Артикул
Название
Примечание
Количество
1
6632727
BUSHING
2
6632876
PLUG
3
6632653
4
6632686
STUD
5
6632700
BOLT cyl. head
6
6632654
WASHER
7
6632652
8
6632877
9
6632711
GASKET fuel pump
10
6632687
INSULATOR
11
6632710
FUEL PUMP
12
42H6
HOSECLAM5 Was 17H000007B - A
13
6632875
HOSE
COVER NLA - hose insulating 10'' (254 mm) - Order Ref. 27
14
6632826
BOLT
15
6643376
NUT
16
WASHER NLA
17
6632838
18
42DM8
19
6632699
BRACKET
20
6632870
21
6632736
22
6632782
23
6632698
SEAL
24
6647755
GASKET head - Was 6632735 - A
25
29CM820
SCREW
26
HEAD See Illustration VALVES/ D1772 NLA - cylinder - Order 6632847 & 4 of 6651799 - Was 6632847 - A
HEAD See Illustration VALVES/ D1772 NLA - cylinder - Was 6632847 - A
27
6563505
CONDUIT bulk-Sold Per Foot - Order Feet Required
Выбрано товаров: 0